Fabricantes desde 1958
Ruedas Alex

SERIE ZVI INOX-TN 2-0301

Ver Comparativa
Código: 2-0301

Ruedas de nylon blanco con todos sus componentes de acero inoxidable (AISI 304). Especialmente indicada para soportar cargas hasta 600 Kg.

Se aplica en áreas de exteriores, carros de transporte alimentación, cantinas, comedor, restaurantes, factorías de alimentación, logística material misiones, maquinas de embalajes, cintas transportadoras, construcciones inoxidables, maquinaria ligera para la construcción, contenedores, roll-tainers, jaulas de transporte, granjas avícolas, químicas, maquinaría panaderías, cadenas alimentación, frigoríficos, arcones, congeladores. Su uso es aplicable en proyectos de ingeniería mecánica por delineantes y proyectistas.

TN: Robustas y resistentes. Indeformables, fácil desplazamiento con altas cargas. No manchan el suelo. Especialmente indicadas para sectores industriales.

Componentes

Soporte

Fabricada con chapa de acero inoxidable (AISI 304). Hasta 3 mm de espesor. Todos sus componentes de acero inoxidable. Resistente a la corrosión, grasas, aceites y gasolina. Fabricadas según normas europeas EN 12530/12532.

Aro

Rueda de nylon extrafuerte

Rango de temperatura: -30º ÷ +80º

Facilidad de desplazamiento Excelente
Ruido durante la marcha Satisfactorio
Protección del suelo Satisfactorio

Datos técnicos 2-0301

EAN:
8422202203010
Tipo Soporte:
Giratorio
Tipo Fijación:
Platina
Tipo Freno:
Sin Freno
Material:
Nylon - Poliamida
Temperatura Mínima (ºC):
-30
Temperatura Máxima (ºC):
80
Dureza del bandaje:
65º-70º SHORE A
Cojinete:
Bolas Inoxidable
Color:
Blanco
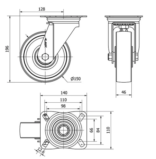
Diámetro (mm):
150
Ancho de banda (mm):
45
Medidas de la placa (mm):
140x110
Distancia entre agujeros (mm):
105x80
Diámetro agujero (mm):
10
Radio de giro (mm):
128
Altura total (mm):
196
Capacidad de carga (kg):
600
Volumen (cm3):
4269
Datos técnicos 2-0301

Área Privada

Regístrate
Descargar en formatos 3D
Descargar en formatos 2D
DWG
Descargar PDF
PDF
Precio
--

Productos Similares

Contactar

Contacta con nosotros

Envíenos el siguiente formulario y nos pondremos en contacto con usted para atender su consulta.

Información de contacto:
Email: info@alex.es
Teléfono: (+34) 974 035 345
Horario:
Lunes a Viernes: 8-14h / 15-18h
Sábado y domingo: Cerrado
Responsable: Ruedas Alex, S.L.U, siendo la Finalidad: gestionar el contacto entre cualquier interesado y nuestros servicios de atención. La Legitimación: es gracias a tu consentimiento. Destinatarios: no se comunicarán los datos personales a ningún tercero. Podrás efercer Tus Derechos de Acceso, Rectificación, Supresión, Limitación, Oposición y Portabilidad en rgpd@alex.es. Para más información consulte la Política de Privacidad.

Manténgase informado de todas las novedades, ofertas y promociones que tenemos preparadas para usted.