Fabricantes desde 1958
Ruedas Alex

SERIE ZVI INOX-UT 2-1644

Ver Comparativa
Rueda inoxidable giratoria con freno poliamix Alex
Código: 2-1644

Ruedas de poliamix blanco con todos sus componentes de acero inoxidable (AISI 304). Especialmente indicada para soportar cargas hasta 400 Kg.

Se aplica en áreas de exteriores, carros de transporte alimentación, cantinas, comedor, restaurantes, factorías de alimentación, logística material misiones, maquinas de embalajes, cintas transportadoras, construcciones inoxidables, maquinaria ligera para la construcción, contenedores, roll-tainers, jaulas de transporte, granjas avícolas, químicas, maquinaría panaderías, cadenas alimentación, frigoríficos, arcones, congeladores. Su uso es aplicable en proyectos de ingeniería mecánica por delineantes y proyectistas.

UT: Indeformables y resistentes. Fácil arranque y deslizamiento.

Componentes

Soporte

Fabricada con chapa de acero inoxidable (AISI 304). Hasta 3 m/m de espesor. Todos sus componentes de acero inoxidable. Resistente a la corrosión, grasas, aceites y gasolina. Fabricadas según normas europeas EN 12530/12532.

Aro

Rueda de poliamix blanco

Rango de temperatura: -20º ÷ +60º

Facilidad de desplazamiento Muy bueno
Ruido durante la marcha Satisfactorio
Protección del suelo Satisfactorio

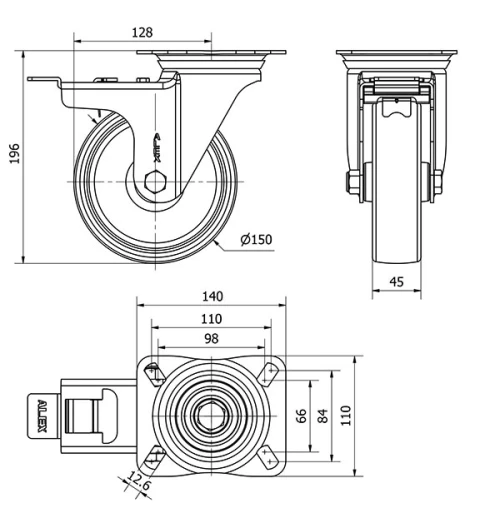
Datos técnicos 2-1644

EAN:
8422202216447
Tipo Soporte:
Giratorio
Tipo Fijación:
Platina
Tipo Freno:
Freno Rueda y Soporte
Material:
Poliamix
Cojinete:
Liso
Diámetro (mm):
150
Ancho de banda (mm):
45
Medidas de la placa (mm):
140x110
Distancia entre agujeros (mm):
105x80
Diámetro agujero (mm):
10
Radio de giro (mm):
128
Altura total (mm):
196
Capacidad de carga (kg):
400
Peso Unitario de la rueda (kg):
1,95
Volumen (cm3):
5218
Datos técnicos 2-1644

Área Privada

Regístrate
Descargar en formatos 3D
Descargar en formatos 2D
DWG
Descargar PDF
PDF
Precio
--

Productos Similares

Contactar

Contacta con nosotros

Envíenos el siguiente formulario y nos pondremos en contacto con usted para atender su consulta.

Información de contacto:
Email: info@alex.es
Teléfono: (+34) 974 035 345
Horario:
Lunes a Viernes: 8-14h / 15-18h
Sábado y domingo: Cerrado
Responsable: Ruedas Alex, S.L.U, siendo la Finalidad: gestionar el contacto entre cualquier interesado y nuestros servicios de atención. La Legitimación: es gracias a tu consentimiento. Destinatarios: no se comunicarán los datos personales a ningún tercero. Podrás efercer Tus Derechos de Acceso, Rectificación, Supresión, Limitación, Oposición y Portabilidad en rgpd@alex.es. Para más información consulte la Política de Privacidad.

Manténgase informado de todas las novedades, ofertas y promociones que tenemos preparadas para usted.