Fabricantes desde 1958
Ruedas Alex

SERIE ZVI INOX-PO 2-1655

Ver Comparativa
Rueda inoxidable giratoria con freno poliuretano Alex
Código: 2-1655

Ruedas de poliuretano inyectado con todos sus componentes de acero inoxidable (AISI 304). Especialmente indicada para soportar cargas hasta 600 Kg.

Se aplica en áreas de exteriores, carros de transporte alimentación, cantinas, comedor, restaurantes, factorías de alimentación, logística material misiones, maquinas de embalajes, cintas transportadoras, construcciones inoxidables, maquinaria ligera para la construcción, contenedores, roll-tainers, jaulas de transporte, granjas avícolas, químicas, maquinaría panaderías, cadenas alimentación, frigoríficos, arcones, congeladores, Su uso es aplicable en proyectos de ingeniería mecánica por delineantes y proyectistas.

PO: funcionamiento elástico. Silenciosa. Ofrece gran protección de los suelos. Gran duración al desgaste. Alta resistencia a los aceites y grasas. Limpias e indeformables

Componentes

Soporte

Fabricada con chapa de acero inoxidable (AISI 304). Hasta 3 m/m de espesor. Todos sus componentes de acero inoxidable. Resistente a la corrosión, grasas, aceites y gasolina. Fabricadas según normas europeas EN 12530/12532.

Aro

Núcleo de nylon blanco y banda de poliuretano rojo( 95º shore A)

Rango de temperatura: -25º ÷ +80º

Facilidad de desplazamiento Muy bueno
Ruido durante la marcha Muy bueno
Protección del suelo Muy bueno

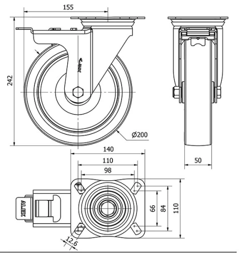
Datos técnicos 2-1655

EAN:
8422202216553
Tipo Soporte:
Giratorio
Tipo Fijación:
Platina
Tipo Freno:
Freno Rueda y Soporte
Material:
Poliuretano
Dureza del bandaje:
90-95º SHORE A
Cojinete:
Liso
Diámetro (mm):
200
Ancho de banda (mm):
50
Medidas de la placa (mm):
140x110
Distancia entre agujeros (mm):
105x80
Diámetro agujero (mm):
10
Radio de giro (mm):
153
Altura total (mm):
242
Capacidad de carga (kg):
600
Peso Unitario de la rueda (kg):
2,792
Volumen (cm3):
6442
Datos técnicos 2-1655

Área Privada

Regístrate
Descargar en formatos 3D
Descargar en formatos 2D
DWG
Descargar PDF
PDF
Precio
--

Productos Similares

Contactar

Contacta con nosotros

Envíenos el siguiente formulario y nos pondremos en contacto con usted para atender su consulta.

Información de contacto:
Email: info@alex.es
Teléfono: (+34) 974 035 345
Horario:
Lunes a Viernes: 8-14h / 15-18h
Sábado y domingo: Cerrado
Responsable: Ruedas Alex, S.L.U, siendo la Finalidad: gestionar el contacto entre cualquier interesado y nuestros servicios de atención. La Legitimación: es gracias a tu consentimiento. Destinatarios: no se comunicarán los datos personales a ningún tercero. Podrás efercer Tus Derechos de Acceso, Rectificación, Supresión, Limitación, Oposición y Portabilidad en rgpd@alex.es. Para más información consulte la Política de Privacidad.

Manténgase informado de todas las novedades, ofertas y promociones que tenemos preparadas para usted.