Fabricantes desde 1958
Ruedas Alex

SERIE ZVR-AUAB 2-3968

Ver Comparativa
Rueda neumática remolques carros alamacén plataformas giratoria con freno  llanta poliamix Alex
Código: 2-3968

Ruedas con núcleo de aluminio y banda de poliuretano fundido con dureza de 95˚ shore A, con banda de rodadura en forma balona, especialmente indicada para soportar altas cargas hasta 700 Kg.

Se aplica en útiles de transporte logístico, contenedores, transporte industrial, carros de herramientas, gradas moviles, carros herramientas, factorias alimentación, logistica factoria misiones, barredoras, pulidoras, maquinaria pesada, gruas moviles, mesas elevadoras, caldererias, contenedores, proyectistas, delineantes, ingenieria mecanica. Principalmente en el sector aeronáutico, ferroviario, automoción, alimentación, taller, actividades industrias.

AUAB: Maxima maniobrabilidad. Forma balona. Alta absorción a los golpes. Condiciones de pavimento desfavorables. Superficies rugosas, quebradas, con virutas metálicas, manchas de aceite, cristales, grasas, grava.

Menor esfuerzo al giro y desplazamiento.

Componentes

Soporte

Fabricada con chapa de acero embutido hasta 4mm de espesor. Doble rodamiento a bolas reforzado con pistas de rodadura endurecidas. Protector anti-polvo en el cojinete del soporte. Fabricadas según normas europeas EN 12532/12533.

Aro

Facilidad de desplazamiento Excelente
Ruido durante la marcha Bueno
Protección del suelo Bueno

Datos técnicos 2-3968

EAN:
8422202239682
Tipo Soporte:
Giratorio
Tipo Fijación:
Platina
Tipo Freno:
Freno Rueda y Soporte
Material:
Poliuretano
Dureza del bandaje:
95º SHORE A
Cojinete:
Bolas
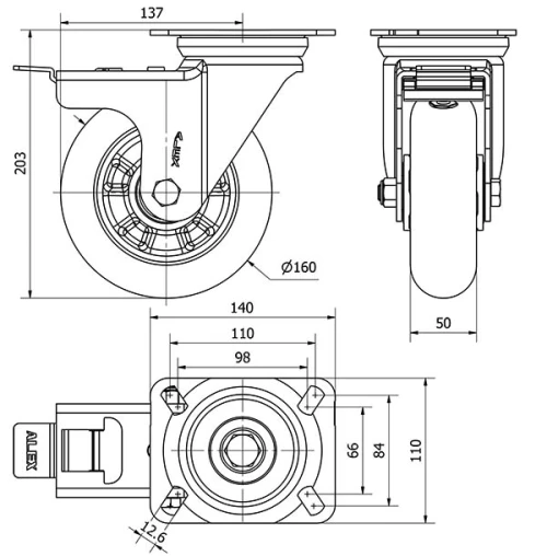
Diámetro (mm):
160
Ancho de banda (mm):
50
Medidas de la placa (mm):
140x110
Distancia entre agujeros (mm):
105x80
Diámetro agujero (mm):
10
Radio de giro (mm):
137
Altura total (mm):
203
Capacidad de carga (kg):
550
Peso Unitario de la rueda (kg):
3,44
Datos técnicos 2-3968

Área Privada

Regístrate
Descargar en formatos 3D
Descargar en formatos 2D
DWG
Descargar PDF
PDF
Precio
--

Productos Similares

Contactar

Contacta con nosotros

Envíenos el siguiente formulario y nos pondremos en contacto con usted para atender su consulta.

Información de contacto:
Email: info@alex.es
Teléfono: (+34) 974 035 345
Horario:
Lunes a Viernes: 8-14h / 15-18h
Sábado y domingo: Cerrado
Responsable: Ruedas Alex, S.L.U, siendo la Finalidad: gestionar el contacto entre cualquier interesado y nuestros servicios de atención. La Legitimación: es gracias a tu consentimiento. Destinatarios: no se comunicarán los datos personales a ningún tercero. Podrás efercer Tus Derechos de Acceso, Rectificación, Supresión, Limitación, Oposición y Portabilidad en rgpd@alex.es. Para más información consulte la Política de Privacidad.

Manténgase informado de todas las novedades, ofertas y promociones que tenemos preparadas para usted.