Fabricantes desde 1958
Ruedas Alex

SERIE ZV-TN 2-0134

Ver Comparativa
Código: 2-0134

Rueda de poliamix blanco, especialmente indicada para soportar altas cargas hasta 400 Kg.

Se aplica en útiles de logística interna, talleres, carros de herramientas, logística interna, gradas móviles, útiles de transporte, plataformas elevadoras, factorías de alimentación, carros de transporte, logística material misiones, escaleras, maquinas de embalajes, cintas transportadoras, maquinaria ligera para la construcción, mesas elevadoras, caldererías, ebanisterías, cerrajerías, carpinterías metálicas, granjas agrícolas, cárnicas, textiles, polideportivos, contenedores, jaulas de transporte. Principalmente en sectores industriales, aeronáutico y automoción, alimentación, textiles, agrícolas, granjas avícolas, congeladores, arcones, carros tubulares.

Aplicadas en proyectos de ingeniería mecánica por delineantes y proyectistas.

TN: Robustas y resistentes. Indeformables, fácil desplazamiento con altas cargas. No manchan el suelo. Especialmente indicadas para sectores industriales.

Componentes

Soporte

Chapa de acero hasta 4mm de espesor. Acabado cincado brillante. Soporte embutido con doble hilera de bolas. Modelo de uso universal para cargas medias. Fabricadas según normas europeas EN 12530/12532.

Aro

Rueda de nylon extrafuerte

Rango de temperatura: -30º ÷ +80º

Facilidad de desplazamiento Excelente
Ruido durante la marcha Satisfactorio
Protección del suelo Satisfactorio

Datos técnicos 2-0134

EAN:
8422202201344
Tipo Soporte:
Giratorio
Tipo Fijación:
Agujero pasante
Tipo Freno:
Freno Rueda y Soporte
Material:
Nylon - Poliamida
Temperatura Mínima (ºC):
30
Temperatura Máxima (ºC):
80
Cojinete:
Liso
Color:
Blanco
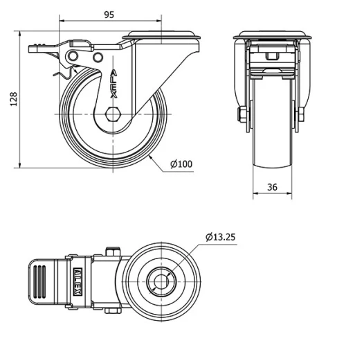
Diámetro (mm):
100
Ancho de banda (mm):
34
Diámetro agujero (mm):
12
Radio de giro (mm):
95
Altura total (mm):
128
Capacidad de carga (kg):
180
Volumen (cm3):
1515
Datos técnicos 2-0134

Área Privada

Regístrate
Descargar en formatos 3D
Descargar en formatos 2D
DWG
Descargar PDF
PDF
Precio
--

Productos Similares

Contactar

Contacta con nosotros

Envíenos el siguiente formulario y nos pondremos en contacto con usted para atender su consulta.

Información de contacto:
Email: info@alex.es
Teléfono: (+34) 974 035 345
Horario:
Lunes a Viernes: 8-14h / 15-18h
Sábado y domingo: Cerrado
Responsable: Ruedas Alex, S.L.U, siendo la Finalidad: gestionar el contacto entre cualquier interesado y nuestros servicios de atención. La Legitimación: es gracias a tu consentimiento. Destinatarios: no se comunicarán los datos personales a ningún tercero. Podrás efercer Tus Derechos de Acceso, Rectificación, Supresión, Limitación, Oposición y Portabilidad en rgpd@alex.es. Para más información consulte la Política de Privacidad.

Manténgase informado de todas las novedades, ofertas y promociones que tenemos preparadas para usted.