Fabricantes desde 1958
Ruedas Alex

SERIE ZV-PGC 2-4706

Ver Comparativa
Código: 2-4706

Ruedas conductivas con núcleo de polipropileno y banda de poliuretano gris inyectado. Especialmente indicada para soportar cargas hasta 200 Kg.

Se aplica en útiles de transporte logístico, sector automoción, factorías de alimentación, salas de operaciones, hospitales y quirófanos.

Aplicadas en proyectos de ingeniería mecánica por delineantes y proyectistas.

PGC: No mancha el suelo. Rueda suave y silenciosa. Conductiva.

Componentes

Soporte

Chapa de acero hasta 4mm de espesor. Acabado cincado brillante. Soporte embutido con doble hilera de bolas. Modelo de uso universal para cargas medias. Fabricadas según normas europeas EN 12530/12532.

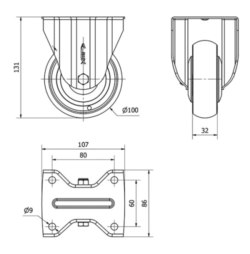
Datos técnicos 2-4706

EAN:
8422202247069
Tipo Soporte:
Fijo
Tipo Fijación:
Platina
Tipo Freno:
Sin Freno
Material:
Poliuretano
Temperatura Mínima (ºC):
-25
Temperatura Máxima (ºC):
80
Dureza del bandaje:
95º SHORE A
Cojinete:
Bolas
Diámetro (mm):
100
Ancho de banda (mm):
32
Medidas de la placa (mm):
107x86
Distancia entre agujeros (mm):
80x60
Diámetro agujero (mm):
8
Altura total (mm):
131
Capacidad de carga (kg):
100
Peso Unitario de la rueda (kg):
0,655
Diámetro Atributo:
L
Datos técnicos 2-4706

Área Privada

Regístrate
Descargar en formatos 3D
Descargar en formatos 2D
DWG
Descargar PDF
PDF
Precio
--

Productos Similares

Contactar

Contacta con nosotros

Envíenos el siguiente formulario y nos pondremos en contacto con usted para atender su consulta.

Información de contacto:
Email: info@alex.es
Teléfono: (+34) 974 035 345
Horario:
Lunes a Viernes: 8-14h / 15-18h
Sábado y domingo: Cerrado
Responsable: Ruedas Alex, S.L.U, siendo la Finalidad: gestionar el contacto entre cualquier interesado y nuestros servicios de atención. La Legitimación: es gracias a tu consentimiento. Destinatarios: no se comunicarán los datos personales a ningún tercero. Podrás efercer Tus Derechos de Acceso, Rectificación, Supresión, Limitación, Oposición y Portabilidad en rgpd@alex.es. Para más información consulte la Política de Privacidad.

Manténgase informado de todas las novedades, ofertas y promociones que tenemos preparadas para usted.