Fabricantes desde 1958
Ruedas Alex

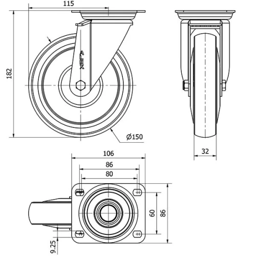
SERIE ZV-PGAIB 2-4783

Ver Comparativa
Código: 2-4783

Ruedas de goma gris inyectada. Especialmente indicada para soportar cargas hasta 125 Kg.

Se aplica en carros de herramientas, carros tubulares, logística interna, AGV, útiles de transporte, plataformas elevadoras, talleres, carros de transporte de alimentación, cocina, cantina, comedor, restaurantes, supermercados, barridoras, pulidoras, maquinas ligeras,

PGAIB: Rueda silenciosa, absorbe las vibraciones. No dejan huella en los pavimentos. Fácil desplazamiento.

Componentes

Soporte

Chapa de acero hasta 4mm de espesor. Acabado cincado brillante. Soporte embutido con doble hilera de bolas. Modelo de uso universal para cargas medias. Fabricadas según normas europeas EN 12530/12532.

Datos técnicos 2-4783

EAN:
8422202247830
Tipo Soporte:
Giratorio
Tipo Fijación:
Platina
Tipo Freno:
Sin Freno
Material:
Goma
Temperatura Mínima (ºC):
-20
Temperatura Máxima (ºC):
60
Dureza del bandaje:
90º SHORE A
Cojinete:
Bolas
Diámetro (mm):
150
Ancho de banda (mm):
32
Medidas de la placa (mm):
106x86
Distancia entre agujeros (mm):
86/80x60
Diámetro agujero (mm):
8
Radio de giro (mm):
115
Altura total (mm):
182
Capacidad de carga (kg):
125
Peso Unitario de la rueda (kg):
1,249
Volumen (cm3):
2,63
Diámetro Atributo:
L
Datos técnicos 2-4783

Área Privada

Regístrate
Descargar en formatos 3D
Descargar en formatos 2D
DWG
Descargar PDF
PDF
Precio
--

Productos Similares

Contactar

Contacta con nosotros

Envíenos el siguiente formulario y nos pondremos en contacto con usted para atender su consulta.

Información de contacto:
Email: info@alex.es
Teléfono: (+34) 974 035 345
Horario:
Lunes a Viernes: 8-14h / 15-18h
Sábado y domingo: Cerrado
Responsable: Ruedas Alex, S.L.U, siendo la Finalidad: gestionar el contacto entre cualquier interesado y nuestros servicios de atención. La Legitimación: es gracias a tu consentimiento. Destinatarios: no se comunicarán los datos personales a ningún tercero. Podrás efercer Tus Derechos de Acceso, Rectificación, Supresión, Limitación, Oposición y Portabilidad en rgpd@alex.es. Para más información consulte la Política de Privacidad.

Manténgase informado de todas las novedades, ofertas y promociones que tenemos preparadas para usted.