Fabricantes desde 1958
Ruedas Alex

SERIE ZV-DEGB 2-4366

Ver Comparativa
Rueda para mobiliario clínico hostelería colectividades bloqueo direccional goma termoplástica gris Alex
Código: 2-4366

Ruedas de núcleo de aluminio con banda de goma elástica gris con una dureza 70˚ shore A. Especialmente indicada para soportar cargas hasta 450 Kg.

Se aplica en sectores industriales de alta y media capacidad de carga, útiles de transporte logístico, talleres, aéreas de exteriores, carros de herramientas, logística interna, carros tubulares, gradas móviles, plataformas elevadoras, logística material misiones, transporte de útiles, restaurantes, barredoras, pulidoras, grúas móviles, maquinaría ligera, carretillas elevadoras, mesas elevadoras, roll-palets, roll-tainers, contenedores.

DEGB: ideal en el traslado manual de cargas medianas y desplazamiento silencioso. Absorción de golpes y vibraciones. No deja huella. Máxima protección de los suelos y del equipo. Ideal para suelos irregulares.

Componentes

Soporte

Chapa de acero hasta 4mm de espesor. Acabado cincado brillante. Soporte embutido con doble hilera de bolas. Modelo de uso universal para cargas medias. Fabricadas según normas europeas EN 12530/12532.

Datos técnicos 2-4366

EAN:
8422202243665
Tipo Soporte:
Giratorio
Tipo Fijación:
Platina
Tipo Freno:
Sin Freno
Material:
Goma
Temperatura Mínima (ºC):
-20
Temperatura Máxima (ºC):
70
Dureza del bandaje:
70º SHORE A
Cojinete:
Bolas
Color:
Gris
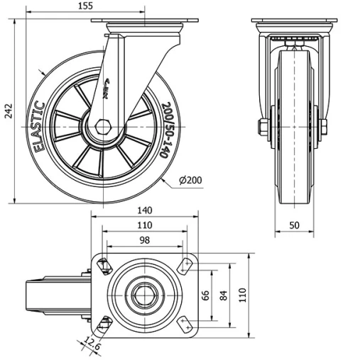
Diámetro (mm):
200
Ancho de banda (mm):
50
Medidas de la placa (mm):
140x110
Distancia entre agujeros (mm):
105x80
Diámetro agujero (mm):
10
Radio de giro (mm):
155
Altura total (mm):
242
Capacidad de carga (kg):
400
Peso Unitario de la rueda (kg):
3000
Volumen (cm3):
5990
Datos técnicos 2-4366

Área Privada

Regístrate
Descargar en formatos 3D
Descargar en formatos 2D
DWG
Descargar PDF
PDF
Precio
--

Productos Similares

Contactar

Contacta con nosotros

Envíenos el siguiente formulario y nos pondremos en contacto con usted para atender su consulta.

Información de contacto:
Email: info@alex.es
Teléfono: (+34) 974 035 345
Horario:
Lunes a Viernes: 8-14h / 15-18h
Sábado y domingo: Cerrado
Responsable: Ruedas Alex, S.L.U, siendo la Finalidad: gestionar el contacto entre cualquier interesado y nuestros servicios de atención. La Legitimación: es gracias a tu consentimiento. Destinatarios: no se comunicarán los datos personales a ningún tercero. Podrás efercer Tus Derechos de Acceso, Rectificación, Supresión, Limitación, Oposición y Portabilidad en rgpd@alex.es. Para más información consulte la Política de Privacidad.

Manténgase informado de todas las novedades, ofertas y promociones que tenemos preparadas para usted.