Fabricantes desde 1958
Ruedas Alex

SERIE ZV-AUAGB 2-4391

Ver Comparativa
ZV-AUAGB BLOQUEO DIREC
Código: 2-4391

Ruedas con núcleo de aluminio y banda de forma balona de poliuretano verde de dureza 80º shoreA. Especialmente indicada para soportar cargas hasta 650 Kg.

Se aplica en útiles de transporte logístico, taller, aéreas de exteriores, logistica interna, carros de herramientas, carros tubulares, fábricas neumáticos, logística interna, carros de herramientas, AGV, útiles de transporte, plataformas elevadoras, carros de transporte, escaleras, barredoras, pulidoras, maquinas embalaje, cintas transportadoras, grúas móviles, carretillas elevadoras, caldererías, ebanistas, carpinterías metálicas, granjas agrícolas, mesas elevadoras, cárnicas, contenedores, polideportivos.

Principalmente en el sector aeronáutico, ferroviario, automoción, alimentación, talleres, actividades industrias.

Aplicadas en proyectos de ingeniería mecánica por delineantes y proyectistas.

AUAGB: Rueda con banda de rodadura en forma balona. Menor esfuerzo al giro y desplazamiento. Poliuretano verde de gran capacidad de carga.

Componentes

Soporte

Chapa de acero hasta 4mm de espesor. Acabado cincado brillante. Soporte embutido con doble hilera de bolas. Modelo de uso universal para cargas medias. Fabricadas según normas europeas EN 12530/12532.

Datos técnicos 2-4391

EAN:
8422202243917
Tipo Soporte:
Giratorio
Tipo Fijación:
Platina
Tipo Freno:
Bloqueo direccional
Material:
Poliuretano
Temperatura Mínima (ºC):
-20
Temperatura Máxima (ºC):
60
Cojinete:
Bolas
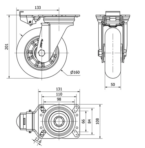
Diámetro (mm):
160
Ancho de banda (mm):
50
Medidas de la placa (mm):
140x110
Distancia entre agujeros (mm):
105x80
Diámetro agujero (mm):
10
Radio de giro (mm):
133
Altura total (mm):
201
Capacidad de carga (kg):
400
Peso Unitario de la rueda (kg):
2,55
Volumen (cm3):
4312
Diámetro Atributo:
BALONA
Datos técnicos 2-4391

Área Privada

Regístrate
Descargar en formatos 3D
Descargar en formatos 2D
DWG
Descargar PDF
PDF
Precio
--

Productos Similares

Contactar

Contacta con nosotros

Envíenos el siguiente formulario y nos pondremos en contacto con usted para atender su consulta.

Información de contacto:
Email: info@alex.es
Teléfono: (+34) 974 035 345
Horario:
Lunes a Viernes: 8-14h / 15-18h
Sábado y domingo: Cerrado
Responsable: Ruedas Alex, S.L.U, siendo la Finalidad: gestionar el contacto entre cualquier interesado y nuestros servicios de atención. La Legitimación: es gracias a tu consentimiento. Destinatarios: no se comunicarán los datos personales a ningún tercero. Podrás efercer Tus Derechos de Acceso, Rectificación, Supresión, Limitación, Oposición y Portabilidad en rgpd@alex.es. Para más información consulte la Política de Privacidad.

Manténgase informado de todas las novedades, ofertas y promociones que tenemos preparadas para usted.