Fabricantes desde 1958
Ruedas Alex

SERIE ZV-AUAB 2-3986

Ver Comparativa
Rueda alta carga sector naval ferroviario giratoria con freno Nylon fundido extrafuerte Alex
Código: 2-3986

Ruedas con núcleo de aluminio y banda de poliuretano fundido con dureza de 95˚ Shore A, con banda de rodadura en forma balona, especialmente indicada para soportar altas cargas hasta 400 Kg.

Se aplica en útiles de transporte logístico, taller, carros de herramientas, carros tubulares, fábricas neumáticos, logística interna, carros de herramientas, AGV, útiles de transporte, plataformas elevadoras, carros de transporte, escaleras, barredoras, pulidoras, maquinas embalaje, cintas transportadoras, grúas móviles, carretillas elevadoras, caldererías, ebanistas, carpinterías metálicas, granjas agrícolas, mesas elevadoras, cárnicas, contenedores, polideportivos.

Principalmente en el sector aeronáutico, ferroviario, automoción, alimentación, talleres, actividades industrias.

Aplicadas en proyectos de ingeniería mecánica por delineantes y proyectistas.

AUAB: Maxima maniobrabilidad. Alta absorción a los golpes. Condiciones de pavimento desfavorables. Superficies rugosas, quebradas, con virutas metálicas, manchas de aceite, cristales, grasas, grava.

Menor esfuerzo al giro y desplazamiento.

Componentes

Soporte

Chapa de acero hasta 4mm de espesor. Acabado cincado brillante. Soporte embutido con doble hilera de bolas. Modelo de uso universal para cargas medias. Fabricadas según normas europeas EN 12530/12532.

Aro

Facilidad de desplazamiento Excelente
Ruido durante la marcha Bueno
Protección del suelo Bueno

Datos técnicos 2-3986

EAN:
8422202239866
Tipo Soporte:
Giratorio
Tipo Fijación:
Platina
Tipo Freno:
Bloqueo direccional
Material:
Poliuretano
Dureza del bandaje:
95º SHORE A
Cojinete:
Bolas
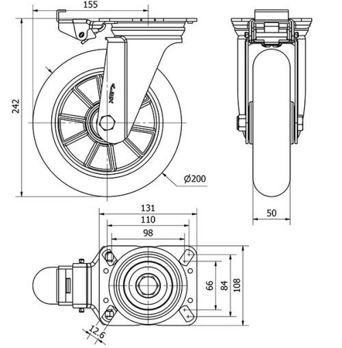
Diámetro (mm):
200
Ancho de banda (mm):
50
Medidas de la placa (mm):
140x110
Distancia entre agujeros (mm):
105x80
Diámetro agujero (mm):
10
Radio de giro (mm):
155
Altura total (mm):
242
Capacidad de carga (kg):
400
Peso Unitario de la rueda (kg):
2,94
Datos técnicos 2-3986

Área Privada

Regístrate
Descargar en formatos 3D
Descargar en formatos 2D
DWG
Descargar PDF
PDF
Precio
--

Productos Similares

Contactar

Contacta con nosotros

Envíenos el siguiente formulario y nos pondremos en contacto con usted para atender su consulta.

Información de contacto:
Email: info@alex.es
Teléfono: (+34) 974 035 345
Horario:
Lunes a Viernes: 8-14h / 15-18h
Sábado y domingo: Cerrado
Responsable: Ruedas Alex, S.L.U, siendo la Finalidad: gestionar el contacto entre cualquier interesado y nuestros servicios de atención. La Legitimación: es gracias a tu consentimiento. Destinatarios: no se comunicarán los datos personales a ningún tercero. Podrás efercer Tus Derechos de Acceso, Rectificación, Supresión, Limitación, Oposición y Portabilidad en rgpd@alex.es. Para más información consulte la Política de Privacidad.

Manténgase informado de todas las novedades, ofertas y promociones que tenemos preparadas para usted.