Fabricantes desde 1958
Ruedas Alex

SERIE SLR-AUSB 2-4186

Ver Comparativa
Código: 2-4186

Ruedas con núcleo de aluminio y banda de poliuretano blanco fundido con dureza de 88˚ shore A, especialmente indicada para soportar altas cargas hasta 650 Kg.

Se aplica en útiles de transporte logístico, áreas de exteriores, carroceros, AGV, logística interna, gradas móviles, plataformas elevadoras, logística material misiones, maquinaria pesada, grúas móviles, mesas elevadoras, carros. Utillajes, aéreas industriales. Aplicadas en proyectos de ingeniería mecánica por delineantes y proyectistas.

AUSB: Recomendada para desplazamientos en velocidad (hasta 16 KM/H). Alta absorción a los golpes. Condiciones de pavimento desfavorables. Superficies rugosas, quebradas, con virutas metálicas, manchas de aceite, cristales, grasas, grava.

Componentes

Soporte

Fabricada con acero soldado desde 6 m/m hasta 8 m/m de espesor. Doble cabezal giratorio, el superior de bolas grandes de acero y el inferior de precisión que facilita los esfuerzos de giro, radiales y axiales. Modelo construido especialemente para: carretillas grandes con empuje mecánico, manutención de factorías, industrias metalúrgicas. Acabado cincado blanco. Fabricadas según normas europeas EN 12532.

Aro

Facilidad de desplazamiento Bueno
Ruido durante la marcha Muy bueno
Protección del suelo Muy bueno

Datos técnicos 2-4186

EAN:
8422202241869
Tipo Soporte:
Giratorio
Tipo Fijación:
Platina
Tipo Freno:
Freno Rueda y Soporte
Dureza del bandaje:
88º SHORE A
Cojinete:
Bolas
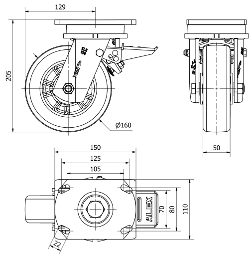
Diámetro (mm):
160
Ancho de banda (mm):
50
Medidas de la placa (mm):
150x110
Distancia entre agujeros (mm):
125x70/105x80
Diámetro agujero (mm):
10
Radio de giro (mm):
129
Altura total (mm):
205
Capacidad de carga (kg):
600
Datos técnicos 2-4186

Área Privada

Regístrate
Descargar en formatos 3D
Descargar en formatos 2D
DWG
Descargar PDF
PDF
Precio
--

Productos Similares

Contactar

Contacta con nosotros

Envíenos el siguiente formulario y nos pondremos en contacto con usted para atender su consulta.

Información de contacto:
Email: info@alex.es
Teléfono: (+34) 974 035 345
Horario:
Lunes a Viernes: 8-14h / 15-18h
Sábado y domingo: Cerrado
Responsable: Ruedas Alex, S.L.U, siendo la Finalidad: gestionar el contacto entre cualquier interesado y nuestros servicios de atención. La Legitimación: es gracias a tu consentimiento. Destinatarios: no se comunicarán los datos personales a ningún tercero. Podrás efercer Tus Derechos de Acceso, Rectificación, Supresión, Limitación, Oposición y Portabilidad en rgpd@alex.es. Para más información consulte la Política de Privacidad.

Manténgase informado de todas las novedades, ofertas y promociones que tenemos preparadas para usted.