Fabricantes desde 1958
Ruedas Alex

SERIE ZVR-FT 2-0089

Ver Comparativa
Rueda industrial fija alta carga poliuretano verde fundido Alex
Código: 2-0089

Rueda de nylon extrafuerte, especialmente indicada para soportar altas cargas hasta 700 Kg.

Se aplica en útiles de logística interna, talleres, carros de herramientas, logística interna, gradas móviles, útiles de transporte, plataformas elevadoras, factorías de alimentación, carros de transporte, logística material misiones. Principalmente en sectores industriales, aeronáutico y automoción, alimentación.

Aplicadas en proyectos de ingeniería mecánica por delineantes y proyectistas.

FT: Ruedas especialmente indicada para aplicaciones en industrias alimentarias y químicas. No mancha el suelo. Extrafuertes. Alta resistencia a golpes y choques.

Componentes

Soporte

Fabricada con chapa de acero embutido hasta 4mm de espesor. Doble rodamiento a bolas reforzado con pistas de rodadura endurecidas. Protector anti-polvo en el cojinete del soporte. Fabricadas según normas europeas EN 12532/12533.

Aro

Rueda de nylon extrafuerte

Rango de temperatura: -30º ÷ +80º

Facilidad de desplazamiento Excelente
Ruido durante la marcha Satisfactorio
Protección del suelo Satisfactorio

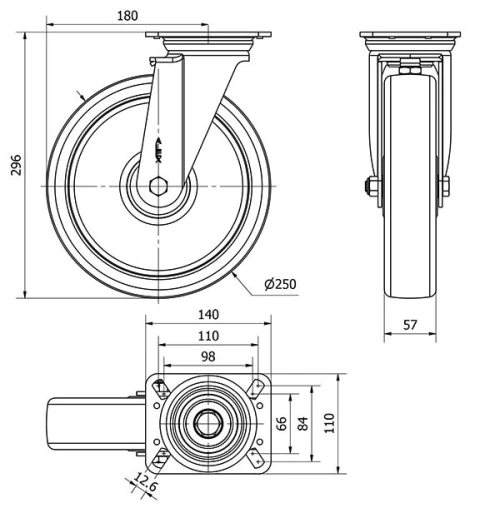
Datos técnicos 2-0089

EAN:
8422202200897
Tipo Soporte:
Giratorio
Tipo Fijación:
Platina
Tipo Freno:
Sin Freno
Material:
Nylon - Poliamida
Cojinete:
Liso
Color:
Blanco
Diámetro (mm):
250
Ancho de banda (mm):
57
Medidas de la placa (mm):
140x110
Distancia entre agujeros (mm):
105x80
Diámetro agujero (mm):
10
Radio de giro (mm):
185
Altura total (mm):
297
Capacidad de carga (kg):
700
Volumen (cm3):
8140
Datos técnicos 2-0089

Área Privada

Regístrate
Descargar en formatos 3D
Descargar en formatos 2D
DWG
Descargar PDF
PDF
Precio
--

Productos Similares

Contactar

Contacta con nosotros

Envíenos el siguiente formulario y nos pondremos en contacto con usted para atender su consulta.

Información de contacto:
Email: info@alex.es
Teléfono: (+34) 974 035 345
Horario:
Lunes a Viernes: 8-14h / 15-18h
Sábado y domingo: Cerrado
Responsable: Ruedas Alex, S.L.U, siendo la Finalidad: gestionar el contacto entre cualquier interesado y nuestros servicios de atención. La Legitimación: es gracias a tu consentimiento. Destinatarios: no se comunicarán los datos personales a ningún tercero. Podrás efercer Tus Derechos de Acceso, Rectificación, Supresión, Limitación, Oposición y Portabilidad en rgpd@alex.es. Para más información consulte la Política de Privacidad.

Manténgase informado de todas las novedades, ofertas y promociones que tenemos preparadas para usted.