Fabricantes desde 1958
Ruedas Alex

SERIE ZVR-AUGB 2-3848

Ver Comparativa
Rueda industrial giratoria alta carga poliuretano verde fundido Alex
Código: 2-3848

Ruedas con núcleo de aluminio y banda de rodadura en forma balona de poliuretano verde de dureza 80º shoreA. Especialmente indicada para soportar cargas hasta 700 Kg.

Se aplica en útiles de transporte logístico, contenedores, transporte industrial, carros de herramientas, gradas moviles, carros herramientas, factorias alimentación, logistica material misiones, barredoras, pulidoras, maquinaria pesada, grúas móviles, mesas elevadoras, caldererías, contenedores, proyectistas, delineantes, ingeniería mecánica.

Principalmente en el sector aeronáutico, ferroviario, automoción, alimentación, taller, actividades industrias.

Aplicadas en proyectos de ingeniería mecánica por delineantes y proyectistas.

Ruedas de alta y media capacidad de carga ZVR para transporte industrial, utilizadas en transporte logístico, carros de herramientas, logística interna...

AUGB: Poliuretano verde de gran capacidad de carga. Absorción de golpes.

Mayor elasticidad.

Componentes

Soporte

Fabricada con chapa de acero embutido hasta 4mm de espesor. Doble rodamiento a bolas reforzado con pistas de rodadura endurecidas. Protector anti-polvo en el cojinete del soporte. Fabricadas según normas europeas EN 12532/12533.

Aro

Núcleo de aluminio y banda de poliuretano verde ( 80º Shore A)

Rango de temperatura: -20º ÷ +60º

Facilidad de desplazamiento Bueno
Ruido durante la marcha Muy bueno
Protección del suelo Muy bueno

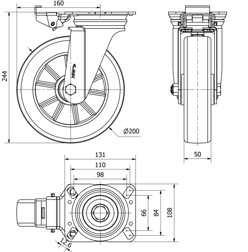
Datos técnicos 2-3848

EAN:
8422202238487
Tipo Soporte:
Giratorio
Tipo Fijación:
Platina
Tipo Freno:
Bloqueo direccional
Material:
Poliuretano
Dureza del bandaje:
80º SHORE A
Cojinete:
Bolas
Diámetro (mm):
200
Ancho de banda (mm):
50
Medidas de la placa (mm):
140x110
Distancia entre agujeros (mm):
105x80
Diámetro agujero (mm):
10
Radio de giro (mm):
160
Altura total (mm):
244
Capacidad de carga (kg):
700
Peso Unitario de la rueda (kg):
3,82
Volumen (cm3):
5761,86
Datos técnicos 2-3848

Área Privada

Regístrate
Descargar en formatos 3D
Descargar en formatos 2D
DWG
Descargar PDF
PDF
Precio
--

Productos Similares

Contactar

Contacta con nosotros

Envíenos el siguiente formulario y nos pondremos en contacto con usted para atender su consulta.

Información de contacto:
Email: info@alex.es
Teléfono: (+34) 974 035 345
Horario:
Lunes a Viernes: 8-14h / 15-18h
Sábado y domingo: Cerrado
Responsable: Ruedas Alex, S.L.U, siendo la Finalidad: gestionar el contacto entre cualquier interesado y nuestros servicios de atención. La Legitimación: es gracias a tu consentimiento. Destinatarios: no se comunicarán los datos personales a ningún tercero. Podrás efercer Tus Derechos de Acceso, Rectificación, Supresión, Limitación, Oposición y Portabilidad en rgpd@alex.es. Para más información consulte la Política de Privacidad.

Manténgase informado de todas las novedades, ofertas y promociones que tenemos preparadas para usted.