Fabricantes desde 1958
Ruedas Alex

SERIE ZV-UT 2-1194

Ver Comparativa
Rueda industrial giratoria con freno alta carga poliamix Alex
Código: 2-1194

Rueda de poliamix blanco, especialmente indicada para soportar altas cargas hasta 400 Kg.

Se aplica en útiles de logística interna, talleres, carros de herramientas, logística interna, gradas móviles, útiles de transporte, plataformas elevadoras, factorías de alimentación, carros de transporte, logística material misiones, escaleras, maquinas de embalajes, cintas transportadoras, maquinaria ligera para la construcción, mesas elevadoras, caldererías, ebanisterías, cerrajerías, carpinterías metálicas, granjas agrícolas, cárnicas, textiles, polideportivos, contenedores, jaulas de transporte. Principalmente en sectores industriales, aeronáutico y automoción, alimentación, textiles, agrícolas, granjas avícolas, congeladores, arcones, carros tubulares.

Aplicadas en proyectos de ingeniería mecánica por delineantes y proyectistas.

UT: Indeformable y resistente. Fácil arranque y deslizamiento.

Componentes

Soporte

Chapa de acero hasta 4mm de espesor. Acabado cincado brillante. Soporte embutido con doble hilera de bolas. Modelo de uso universal para cargas medias. Fabricadas según normas europeas EN 12530/12532.

Aro

Rueda de poliamix blanco

Rango de temperatura: -20º ÷ +60º

Facilidad de desplazamiento Muy bueno
Ruido durante la marcha Satisfactorio
Protección del suelo Satisfactorio

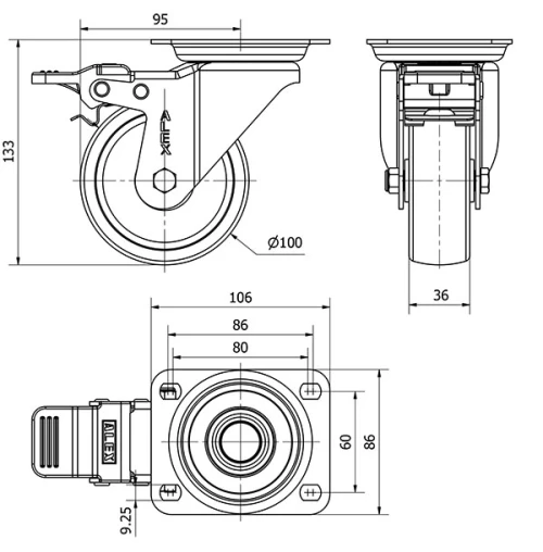
Datos técnicos 2-1194

EAN:
8422202211947
Tipo Soporte:
Giratorio
Tipo Fijación:
Platina
Tipo Freno:
Freno Rueda y Soporte
Material:
Poliamix
Cojinete:
Liso
Diámetro (mm):
100
Ancho de banda (mm):
36
Medidas de la placa (mm):
106x86
Distancia entre agujeros (mm):
86/80x60
Diámetro agujero (mm):
8
Radio de giro (mm):
95
Altura total (mm):
133
Capacidad de carga (kg):
220
Peso Unitario de la rueda (kg):
0,84
Volumen (cm3):
2074
Datos técnicos 2-1194

Área Privada

Regístrate
Descargar en formatos 3D
Descargar en formatos 2D
DWG
Descargar PDF
PDF
Precio
--

Productos Similares

Contactar

Contacta con nosotros

Envíenos el siguiente formulario y nos pondremos en contacto con usted para atender su consulta.

Información de contacto:
Email: info@alex.es
Teléfono: (+34) 974 035 345
Horario:
Lunes a Viernes: 8-14h / 15-18h
Sábado y domingo: Cerrado
Responsable: Ruedas Alex, S.L.U, siendo la Finalidad: gestionar el contacto entre cualquier interesado y nuestros servicios de atención. La Legitimación: es gracias a tu consentimiento. Destinatarios: no se comunicarán los datos personales a ningún tercero. Podrás efercer Tus Derechos de Acceso, Rectificación, Supresión, Limitación, Oposición y Portabilidad en rgpd@alex.es. Para más información consulte la Política de Privacidad.

Manténgase informado de todas las novedades, ofertas y promociones que tenemos preparadas para usted.