Fabricantes desde 1958
Ruedas Alex

SERIE ZV-TT 2-1096

Ver Comparativa
Rueda industrial giratoria alta carga resina Alex
Código: 2-1096

Ruedas de resina, especialmente indicada para soportar altas temperaturas de hasta 300º y cargas hasta 125 Kg.

Se aplica en hornos, maquinaría ligera. Principalmente en sectores industriales, aeronáutico y automoción, alimentación, maquinas vending.

Aplicadas en proyectos de ingeniería mecánica por delineantes y proyectistas.

TT: rueda de resina. Indicada para los sectores industriales.

Soporta temperaturas de hasta +280ºC en intervalos de 30 min.

Componentes

Soporte

Chapa de acero hasta 4mm de espesor. Acabado cincado brillante. Soporte embutido con doble hilera de bolas. Modelo de uso universal para cargas medias. Fabricadas según normas europeas EN 12530/12532.

Aro

Rueda de resina

Rango de temperatura: -30º ÷ +280º

Facilidad de desplazamiento Muy bueno
Ruido durante la marcha Satisfactorio
Protección del suelo Satisfactorio

Datos técnicos 2-1096

EAN:
8422202210964
Tipo Soporte:
Giratorio
Tipo Fijación:
Platina
Tipo Freno:
Sin Freno
Material:
Resina Fenolica
Cojinete:
Liso
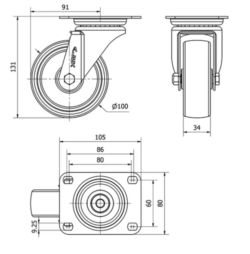
Diámetro (mm):
100
Ancho de banda (mm):
34
Medidas de la placa (mm):
105x80
Distancia entre agujeros (mm):
86/80x60
Diámetro agujero (mm):
8
Radio de giro (mm):
91
Altura total (mm):
131
Capacidad de carga (kg):
125
Peso Unitario de la rueda (kg):
0,715
Volumen (cm3):
1504
Diámetro Atributo:
L
Datos técnicos 2-1096

Área Privada

Regístrate
Descargar en formatos 3D
Descargar en formatos 2D
DWG
Descargar PDF
PDF
Precio
--

Productos Similares

Contactar

Contacta con nosotros

Envíenos el siguiente formulario y nos pondremos en contacto con usted para atender su consulta.

Información de contacto:
Email: info@alex.es
Teléfono: (+34) 974 035 345
Horario:
Lunes a Viernes: 8-14h / 15-18h
Sábado y domingo: Cerrado
Responsable: Ruedas Alex, S.L.U, siendo la Finalidad: gestionar el contacto entre cualquier interesado y nuestros servicios de atención. La Legitimación: es gracias a tu consentimiento. Destinatarios: no se comunicarán los datos personales a ningún tercero. Podrás efercer Tus Derechos de Acceso, Rectificación, Supresión, Limitación, Oposición y Portabilidad en rgpd@alex.es. Para más información consulte la Política de Privacidad.

Manténgase informado de todas las novedades, ofertas y promociones que tenemos preparadas para usted.