Fabricantes desde 1958
Ruedas Alex

SERIE ZV-TD 2-3346

Ver Comparativa
Código: 2-3346

Ruedas de resina extrafuerte, especialmente indicada para soportar altas temperaturas de hasta 200º y cargas hasta 400 Kg.

Se aplica en hornos, maquinaría ligera. Principalmente en sectores industriales, aeronáutico y automoción, alimentación.

Aplicadas en proyectos de ingeniería mecánica por delineantes y proyectistas.

TD: rueda extrafuerte de resina. Indicada para los sectores industriales.

Componentes

Soporte

Chapa de acero hasta 4mm de espesor. Acabado cincado brillante. Soporte embutido con doble hilera de bolas. Modelo de uso universal para cargas medias. Fabricadas según normas europeas EN 12530/12532.

Aro

Rueda de resina

Rango de temperatura: -40º ÷ +200º

Facilidad de desplazamiento Muy bueno
Ruido durante la marcha Satisfactorio
Protección del suelo Satisfactorio

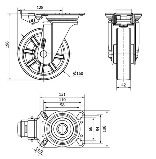
Datos técnicos 2-3346

EAN:
8422202233468
Tipo Soporte:
Giratorio
Tipo Fijación:
Platina
Tipo Freno:
Bloqueo direccional
Material:
Resina Fenolica
Cojinete:
Liso
Diámetro (mm):
150
Ancho de banda (mm):
42
Medidas de la placa (mm):
140x110
Distancia entre agujeros (mm):
105x80
Diámetro agujero (mm):
10
Radio de giro (mm):
128
Altura total (mm):
196
Capacidad de carga (kg):
400
Peso Unitario de la rueda (kg):
2,009
Volumen (cm3):
4099
Datos técnicos 2-3346

Área Privada

Regístrate
Descargar en formatos 3D
Descargar en formatos 2D
DWG
Descargar PDF
PDF
Precio
--

Productos Similares

Contactar

Contacta con nosotros

Envíenos el siguiente formulario y nos pondremos en contacto con usted para atender su consulta.

Información de contacto:
Email: info@alex.es
Teléfono: (+34) 974 035 345
Horario:
Lunes a Viernes: 8-14h / 15-18h
Sábado y domingo: Cerrado
Responsable: Ruedas Alex, S.L.U, siendo la Finalidad: gestionar el contacto entre cualquier interesado y nuestros servicios de atención. La Legitimación: es gracias a tu consentimiento. Destinatarios: no se comunicarán los datos personales a ningún tercero. Podrás efercer Tus Derechos de Acceso, Rectificación, Supresión, Limitación, Oposición y Portabilidad en rgpd@alex.es. Para más información consulte la Política de Privacidad.

Manténgase informado de todas las novedades, ofertas y promociones que tenemos preparadas para usted.