Fabricantes desde 1958
Ruedas Alex

SERIE ZV-PU 2-2029

Ver Comparativa
Rueda industrial giratoria con freno alta carga goma Alex
Código: 2-2029

Ruedas de núcleo de polipropileno y banda de poliuretano gris inyectado. Especialmente indicada para soportar cargas hasta 200 Kg.

Se aplica en útiles de transporte logístico, taller, AGV, carros de transporte alimentación, cocina, cantina, factorías alimentación, supermercados.

Aplicadas en proyectos de ingeniería mecánica por delineantes y proyectistas.

PU: Gran duración sin desgaste. Silenciosas. Limpias e indeformables.

Componentes

Soporte

Chapa de acero hasta 4mm de espesor. Acabado cincado brillante. Soporte embutido con doble hilera de bolas. Modelo de uso universal para cargas medias. Fabricadas según normas europeas EN 12530/12532.

Aro

Núcleo de polipropileno y banda de poliuretano gris ( 60º shore D)

Rango de temperatura: -20º ÷ +60º

Facilidad de desplazamiento Muy bueno
Ruido durante la marcha Bueno
Protección del suelo Muy bueno

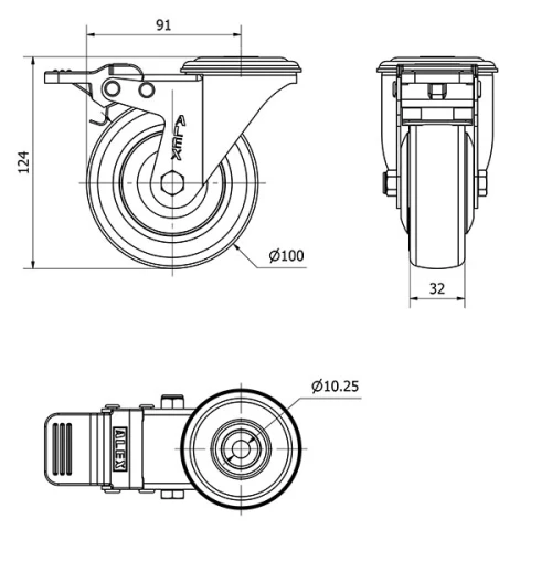
Datos técnicos 2-2029

EAN:
8422202220291
Tipo Soporte:
Giratorio
Tipo Fijación:
Agujero pasante
Tipo Freno:
Freno Rueda y Soporte
Material:
Poliuretano
Dureza del bandaje:
60º SHORE D
Cojinete:
Bolas
Diámetro (mm):
100
Ancho de banda (mm):
32
Diámetro agujero (mm):
10
Radio de giro (mm):
91
Altura total (mm):
124
Capacidad de carga (kg):
120
Peso Unitario de la rueda (kg):
0,7
Volumen (cm3):
1357
Diámetro Atributo:
L
Datos técnicos 2-2029

Área Privada

Regístrate
Descargar en formatos 3D
Descargar en formatos 2D
DWG
Descargar PDF
PDF
Precio
--

Productos Similares

Contactar

Contacta con nosotros

Envíenos el siguiente formulario y nos pondremos en contacto con usted para atender su consulta.

Información de contacto:
Email: info@alex.es
Teléfono: (+34) 974 035 345
Horario:
Lunes a Viernes: 8-14h / 15-18h
Sábado y domingo: Cerrado
Responsable: Ruedas Alex, S.L.U, siendo la Finalidad: gestionar el contacto entre cualquier interesado y nuestros servicios de atención. La Legitimación: es gracias a tu consentimiento. Destinatarios: no se comunicarán los datos personales a ningún tercero. Podrás efercer Tus Derechos de Acceso, Rectificación, Supresión, Limitación, Oposición y Portabilidad en rgpd@alex.es. Para más información consulte la Política de Privacidad.

Manténgase informado de todas las novedades, ofertas y promociones que tenemos preparadas para usted.