Fabricantes desde 1958
Ruedas Alex

SERIE ZV-PS 2-1354

Ver Comparativa
Rueda industrial giratoria con freno carga goma Alex
Código: 2-1354

Ruedas de goma negra natural. Especialmente indicada para soportar cargas hasta 215 Kg.

Se aplica en carros de herramientas, carros tubulares, logística interna, gradas móviles, útiles d transporte, plataformas elevadoras, talleres, carros de transporte de alimentación, cocina, cantina, comedor, restáurate, factorías de alimentación, logística material misiones, transporte de útiles, compresores, escaleras, barredoras, pulidoras, soldadura, hormigoneras, grúas, maquinas de embalaje, cintas transportadoras, grúas móviles, remolques, maquinaría ligera, ebanisterías, cerrajerías, carpinterías metálicas, granjas agrícolas, contendores de basura, contenedores, roll-tainers, roll-palets, jaulas de transporte.

PS: Rueda suave y silenciosa. Máxima protección de los suelos. Absorción de golpes y vibraciones.

Componentes

Soporte

Chapa de acero hasta 4mm de espesor. Acabado cincado brillante. Soporte embutido con doble hilera de bolas. Modelo de uso universal para cargas medias. Fabricadas según normas europeas EN 12530/12532.

Aro

Núcleo de poliamix y banda de goma

Rango de temperatura: -20º ÷ +60º

Facilidad de desplazamiento Satisfactorio
Ruido durante la marcha Excelente
Protección del suelo Excelente

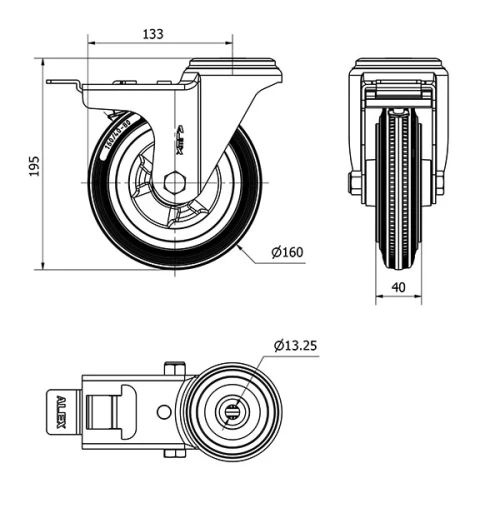
Datos técnicos 2-1354

EAN:
8422202213545
Tipo Soporte:
Giratorio
Tipo Fijación:
Agujero pasante
Tipo Freno:
Freno Rueda y Soporte
Material:
Goma
Cojinete:
Rodillos
Diámetro (mm):
160
Ancho de banda (mm):
40
Diámetro agujero (mm):
12
Radio de giro (mm):
133
Altura total (mm):
195
Capacidad de carga (kg):
160
Peso Unitario de la rueda (kg):
2,166
Volumen (cm3):
3939
Datos técnicos 2-1354

Área Privada

Regístrate
Descargar en formatos 3D
Descargar en formatos 2D
DWG
Descargar PDF
PDF
Precio
--

Productos Similares

Contactar

Contacta con nosotros

Envíenos el siguiente formulario y nos pondremos en contacto con usted para atender su consulta.

Información de contacto:
Email: info@alex.es
Teléfono: (+34) 974 035 345
Horario:
Lunes a Viernes: 8-14h / 15-18h
Sábado y domingo: Cerrado
Responsable: Ruedas Alex, S.L.U, siendo la Finalidad: gestionar el contacto entre cualquier interesado y nuestros servicios de atención. La Legitimación: es gracias a tu consentimiento. Destinatarios: no se comunicarán los datos personales a ningún tercero. Podrás efercer Tus Derechos de Acceso, Rectificación, Supresión, Limitación, Oposición y Portabilidad en rgpd@alex.es. Para más información consulte la Política de Privacidad.

Manténgase informado de todas las novedades, ofertas y promociones que tenemos preparadas para usted.