Fabricantes desde 1958
Ruedas Alex

SERIE ZV-PS 2-3332

Ver Comparativa
Rueda industrial bloqueo direccional giratoria  alta y media carga goma negra natural Alex
Código: 2-3332

Ruedas de goma negra natural. Especialmente indicada para soportar cargas hasta 215 Kg.

Se aplica en carros de herramientas, carros tubulares, logística interna, gradas móviles, útiles d transporte, plataformas elevadoras, talleres, carros de transporte de alimentación, cocina, cantina, comedor, restáurate, factorías de alimentación, logística material misiones, transporte de útiles, compresores, escaleras, barredoras, pulidoras, soldadura, hormigoneras, grúas, maquinas de embalaje, cintas transportadoras, grúas móviles, remolques, maquinaría ligera, ebanisterías, cerrajerías, carpinterías metálicas, granjas agrícolas, contendores de basura, contenedores, roll-tainers, roll-palets, jaulas de transporte.

PS: Rueda suave y silenciosa. Máxima protección de los suelos. Absorción de golpes y vibraciones.

Componentes

Soporte

Chapa de acero hasta 4mm de espesor. Acabado cincado brillante. Soporte embutido con doble hilera de bolas. Modelo de uso universal para cargas medias. Fabricadas según normas europeas EN 12530/12532.

Aro

Núcleo de poliamix y banda de goma

Rango de temperatura: -20º ÷ +60º

Facilidad de desplazamiento Satisfactorio
Ruido durante la marcha Excelente
Protección del suelo Excelente

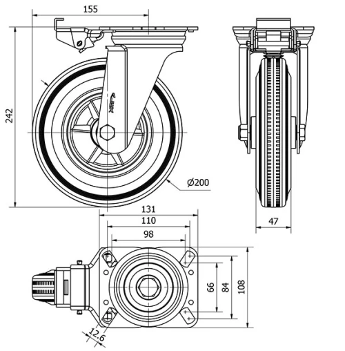
Datos técnicos 2-3332

EAN:
8422202233321
Tipo Soporte:
Giratorio
Tipo Fijación:
Platina
Tipo Freno:
Bloqueo direccional
Material:
Goma
Cojinete:
Rodillos
Diámetro (mm):
200
Ancho de banda (mm):
47
Medidas de la placa (mm):
140x110
Distancia entre agujeros (mm):
105x80
Diámetro agujero (mm):
10
Radio de giro (mm):
155
Altura total (mm):
242
Capacidad de carga (kg):
215
Peso Unitario de la rueda (kg):
3,19
Volumen (cm3):
5715
Datos técnicos 2-3332

Área Privada

Regístrate
Descargar en formatos 3D
Descargar en formatos 2D
DWG
Descargar PDF
PDF
Precio
--

Productos Similares

Contactar

Contacta con nosotros

Envíenos el siguiente formulario y nos pondremos en contacto con usted para atender su consulta.

Información de contacto:
Email: info@alex.es
Teléfono: (+34) 974 035 345
Horario:
Lunes a Viernes: 8-14h / 15-18h
Sábado y domingo: Cerrado
Responsable: Ruedas Alex, S.L.U, siendo la Finalidad: gestionar el contacto entre cualquier interesado y nuestros servicios de atención. La Legitimación: es gracias a tu consentimiento. Destinatarios: no se comunicarán los datos personales a ningún tercero. Podrás efercer Tus Derechos de Acceso, Rectificación, Supresión, Limitación, Oposición y Portabilidad en rgpd@alex.es. Para más información consulte la Política de Privacidad.

Manténgase informado de todas las novedades, ofertas y promociones que tenemos preparadas para usted.