Fabricantes desde 1958
Ruedas Alex

SERIE ZV-POA 2-2920

Ver Comparativa
Rueda alta carga giratoria poliuretano Alex
Código: 2-2920

Ruedas con núcleo de poliamix blanco y banda de poliuretano azul inyectado blando de dureza 80º shore A. Especialmente indicada para soportar cargas hasta 250 Kg.

Se aplica en útiles de transporte logístico, taller, aéreas de exteriores, logística interna, carros de herramientas, carros tubulares, fábricas neumáticos, logística interna, carros de herramientas, útiles de transporte, plataformas elevadoras, carros de transporte, escaleras, barredoras, pulidoras, maquinas embalaje, cintas transportadoras, grúas móviles, carretillas elevadoras, caldererías, ebanistas, carpinterías metálicas, granjas agrícolas, mesas elevadoras, cárnicas, contenedores, polideportivos.

Principalmente en el sector aeronáutico, ferroviario, automoción, alimentación, talleres, actividades industrias.

Aplicadas en proyectos de ingeniería mecánica por delineantes y proyectistas.

POA: desplazamiento más silencioso y absorción de vibraciones, limpia y elástica. Gran duración al desgaste. Alta resistencia a los aceites y grasas.

Componentes

Soporte

Chapa de acero hasta 4mm de espesor. Acabado cincado brillante. Soporte embutido con doble hilera de bolas. Modelo de uso universal para cargas medias. Fabricadas según normas europeas EN 12530/12532.

Aro

Núcleo de poliamix y banda de poliuretano azul (80º shore A)

Rango de temperatura: -25º ÷ +80º

Facilidad de desplazamiento Bueno
Ruido durante la marcha Muy bueno
Protección del suelo Muy bueno

Datos técnicos 2-2920

EAN:
8422202229201
Tipo Soporte:
Giratorio
Tipo Fijación:
Platina
Tipo Freno:
Freno Rueda y Soporte
Material:
Poliuretano
Dureza del bandaje:
80º SHORE A
Cojinete:
Rodillos
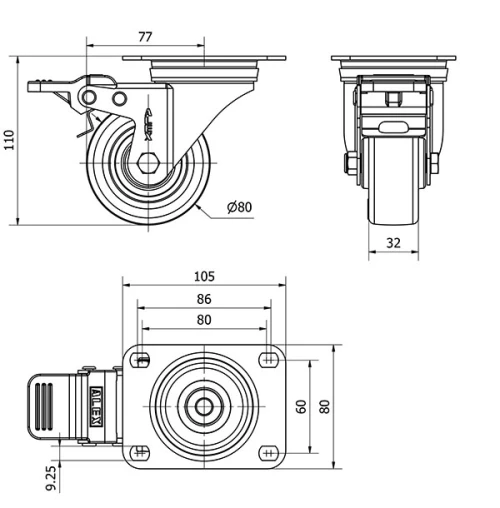
Diámetro (mm):
80
Ancho de banda (mm):
32
Medidas de la placa (mm):
105x80
Distancia entre agujeros (mm):
86/80x60
Diámetro agujero (mm):
8
Radio de giro (mm):
77
Altura total (mm):
110
Capacidad de carga (kg):
120
Peso Unitario de la rueda (kg):
0,7
Volumen (cm3):
1509
Datos técnicos 2-2920

Área Privada

Regístrate
Descargar en formatos 3D
Descargar en formatos 2D
DWG
Descargar PDF
PDF
Precio
--

Productos Similares

Contactar

Contacta con nosotros

Envíenos el siguiente formulario y nos pondremos en contacto con usted para atender su consulta.

Información de contacto:
Email: info@alex.es
Teléfono: (+34) 974 035 345
Horario:
Lunes a Viernes: 8-14h / 15-18h
Sábado y domingo: Cerrado
Responsable: Ruedas Alex, S.L.U, siendo la Finalidad: gestionar el contacto entre cualquier interesado y nuestros servicios de atención. La Legitimación: es gracias a tu consentimiento. Destinatarios: no se comunicarán los datos personales a ningún tercero. Podrás efercer Tus Derechos de Acceso, Rectificación, Supresión, Limitación, Oposición y Portabilidad en rgpd@alex.es. Para más información consulte la Política de Privacidad.

Manténgase informado de todas las novedades, ofertas y promociones que tenemos preparadas para usted.