Fabricantes desde 1958
Ruedas Alex

SERIE ZV-PGZ 2-3210

Ver Comparativa
Rueda  transporte industrial giratoria media carga goma gris inyectada Alex
Código: 2-3210

Ruedas de goma gris inyectada con núcleo de poliamix. Especialmente indicada para soportar cargas hasta 180 Kg.

Se aplica en útiles de transporte logístico, carros de transporte alimentación, cocina, cantina, factorías alimentación, supermercados, maquinaria ligera, contenedores-papelero, jaulas de transporte, roll-tainers, roll-palets. Aplicadas en sectores industriales, alimentación, maquinaría construcción.

Aplicadas en proyectos de ingeniería mecánica por delineantes y proyectistas.

PGZ: No mancha el suelo. Facilidad de movimiento con carga.

Componentes

Soporte

Chapa de acero hasta 4mm de espesor. Acabado cincado brillante. Soporte embutido con doble hilera de bolas. Modelo de uso universal para cargas medias. Fabricadas según normas europeas EN 12530/12532.

Aro

Núcleo de poliamix y banda de goma inyectada

Facilidad de desplazamiento Bueno
Ruido durante la marcha Muy bueno
Protección del suelo Muy bueno

Datos técnicos 2-3210

EAN:
8422202232102
Tipo Soporte:
Giratorio
Tipo Fijación:
Platina
Tipo Freno:
Sin Freno
Material:
Goma
Cojinete:
Liso
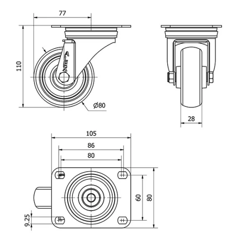
Diámetro (mm):
80
Ancho de banda (mm):
28
Medidas de la placa (mm):
105x80
Distancia entre agujeros (mm):
86/80x60
Diámetro agujero (mm):
8
Radio de giro (mm):
77
Altura total (mm):
110
Capacidad de carga (kg):
80
Peso Unitario de la rueda (kg):
0,569
Volumen (cm3):
1140
Datos técnicos 2-3210

Área Privada

Regístrate
Descargar en formatos 3D
Descargar en formatos 2D
DWG
Descargar PDF
PDF
Precio
--

Productos Similares

Contactar

Contacta con nosotros

Envíenos el siguiente formulario y nos pondremos en contacto con usted para atender su consulta.

Información de contacto:
Email: info@alex.es
Teléfono: (+34) 974 035 345
Horario:
Lunes a Viernes: 8-14h / 15-18h
Sábado y domingo: Cerrado
Responsable: Ruedas Alex, S.L.U, siendo la Finalidad: gestionar el contacto entre cualquier interesado y nuestros servicios de atención. La Legitimación: es gracias a tu consentimiento. Destinatarios: no se comunicarán los datos personales a ningún tercero. Podrás efercer Tus Derechos de Acceso, Rectificación, Supresión, Limitación, Oposición y Portabilidad en rgpd@alex.es. Para más información consulte la Política de Privacidad.

Manténgase informado de todas las novedades, ofertas y promociones que tenemos preparadas para usted.