Fabricantes desde 1958
Ruedas Alex

SERIE ZV-PGM 2-3336

Ver Comparativa
Rueda industrial bloqueo direccional giratoria  alta y media carga goma elástica azul Alex
Código: 2-3336

Ruedas de goma elástica azul. Especialmente indicada para soportar cargas hasta 400 Kg.

Se aplica en útiles de transporte logístico, talleres, carros de herramientas, carros tubulares, logística interna, fabricas neumáticos, logística interna, útiles de transporte, carros de transporte de alimentación, cocina, cantina, comedor, supermercados, contenedores, roll-tainers, roll-palets, jaulas de transporte, cajas audio sonido, gradas móviles.

Aplicadas en proyectos de ingeniería mecánica por delineantes y proyectistas.

PGM: No mancha el suelo. Gran absorción de golpes y vibraciones. Ruedas suaves y silenciosas. Elástica.

Componentes

Soporte

Fabricada con chapa de acero embutido hasta 5m/m de espesor. Acabado cincado brillante de alta resistencia al óxido. Doble rodamiento a bolas reforzado con platillos intermedios y pistas de rodadura endurecidas. Protector anti-polvo en el cojinete del soporte. Fabricadas según normas europeas en 12532.

Aro

Núcleo de poliamix y banda de goma azul

Rango de temperatura: -20º ÷ +70º

Facilidad de desplazamiento Satisfactorio
Ruido durante la marcha Excelente
Protección del suelo Excelente

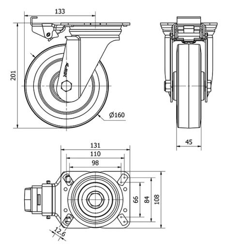
Datos técnicos 2-3336

EAN:
8422202233369
Tipo Soporte:
Giratorio
Tipo Fijación:
Platina
Tipo Freno:
Bloqueo direccional
Material:
Goma
Cojinete:
Rodillos
Diámetro (mm):
160
Ancho de banda (mm):
45
Medidas de la placa (mm):
140x110
Distancia entre agujeros (mm):
105x80
Diámetro agujero (mm):
10
Radio de giro (mm):
133
Altura total (mm):
201
Capacidad de carga (kg):
350
Peso Unitario de la rueda (kg):
2,915
Volumen (cm3):
4354
Datos técnicos 2-3336

Área Privada

Regístrate
Descargar en formatos 3D
Descargar en formatos 2D
DWG
Descargar PDF
PDF
Precio
--

Productos Similares

Contactar

Contacta con nosotros

Envíenos el siguiente formulario y nos pondremos en contacto con usted para atender su consulta.

Información de contacto:
Email: info@alex.es
Teléfono: (+34) 974 035 345
Horario:
Lunes a Viernes: 8-14h / 15-18h
Sábado y domingo: Cerrado
Responsable: Ruedas Alex, S.L.U, siendo la Finalidad: gestionar el contacto entre cualquier interesado y nuestros servicios de atención. La Legitimación: es gracias a tu consentimiento. Destinatarios: no se comunicarán los datos personales a ningún tercero. Podrás efercer Tus Derechos de Acceso, Rectificación, Supresión, Limitación, Oposición y Portabilidad en rgpd@alex.es. Para más información consulte la Política de Privacidad.

Manténgase informado de todas las novedades, ofertas y promociones que tenemos preparadas para usted.