Fabricantes desde 1958
Ruedas Alex

SERIE ZV-PGM 2-3501

Ver Comparativa
Rueda industrial alta carga giratoria con freno goma Alex
Código: 2-3501

Ruedas de goma elástica azul. Especialmente indicada para soportar cargas hasta 400 Kg.

Se aplica en útiles de transporte logístico, talleres, carros de herramientas, carros tubulares, logística interna, fabricas neumáticos, logística interna, útiles de transporte, carros de transporte de alimentación, cocina, cantina, comedor, supermercados, contenedores, roll-tainers, roll-palets, jaulas de transporte, cajas audio sonido, gradas móviles.

Aplicadas en proyectos de ingeniería mecánica por delineantes y proyectistas.

PGM: No mancha el suelo. Gran absorción de golpes y vibraciones. Ruedas suaves y silenciosas. Elástica.

Componentes

Soporte

Fabricada con chapa de acero embutido hasta 5m/m de espesor. Acabado cincado brillante de alta resistencia al óxido. Doble rodamiento a bolas reforzado con platillos intermedios y pistas de rodadura endurecidas. Protector anti-polvo en el cojinete del soporte. Modelo diseñado especialmente para: Carretilas industriales manuntención de factorías, contenedores de trabajo duro, industrias metalúrgicas, químicas, servicios públicos, etc. Fabricadas según normas europeas en 12532.

Aro

Núcleo de poliamix y banda de goma azul

Rango de temperatura: -20º ÷ +70º

Facilidad de desplazamiento Satisfactorio
Ruido durante la marcha Excelente
Protección del suelo Excelente

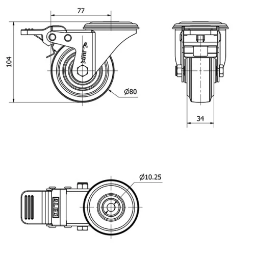
Datos técnicos 2-3501

EAN:
8422202235011
Tipo Soporte:
Giratorio
Tipo Fijación:
Agujero pasante
Tipo Freno:
Freno Rueda y Soporte
Material:
Goma
Cojinete:
Rodillos
Diámetro (mm):
80
Ancho de banda (mm):
34
Diámetro agujero (mm):
10
Radio de giro (mm):
77
Altura total (mm):
104
Capacidad de carga (kg):
100
Peso Unitario de la rueda (kg):
0,525
Volumen (cm3):
1129
Datos técnicos 2-3501

Área Privada

Regístrate
Descargar en formatos 3D
Descargar en formatos 2D
DWG
Descargar PDF
PDF
Precio
--

Productos Similares

Contactar

Contacta con nosotros

Envíenos el siguiente formulario y nos pondremos en contacto con usted para atender su consulta.

Información de contacto:
Email: info@alex.es
Teléfono: (+34) 974 035 345
Horario:
Lunes a Viernes: 8-14h / 15-18h
Sábado y domingo: Cerrado
Responsable: Ruedas Alex, S.L.U, siendo la Finalidad: gestionar el contacto entre cualquier interesado y nuestros servicios de atención. La Legitimación: es gracias a tu consentimiento. Destinatarios: no se comunicarán los datos personales a ningún tercero. Podrás efercer Tus Derechos de Acceso, Rectificación, Supresión, Limitación, Oposición y Portabilidad en rgpd@alex.es. Para más información consulte la Política de Privacidad.

Manténgase informado de todas las novedades, ofertas y promociones que tenemos preparadas para usted.