Fabricantes desde 1958
Ruedas Alex

SERIE ZV-PGA 2-2389

Ver Comparativa
Rueda industrial giratoria alta carga goma Alex
Código: 2-2389

Ruedas de goma gris natural. Especialmente indicada para soportar cargas hasta 135 Kg.

Se aplica en carros de herramientas, carros tubulares, logística interna, útiles de transporte, plataformas elevadoras, talleres, carros de transporte de alimentación, cocina, cantina, comedor, restaurantes, supermercados, barridoras, pulidoras, maquinas ligeras,

PGA: Rueda suave y silenciosa. No mancha el suelo.

Componentes

Soporte

Chapa de acero hasta 4mm de espesor. Acabado cincado brillante. Soporte embutido con doble hilera de bolas. Modelo de uso universal para cargas medias. Fabricadas según normas europeas EN 12530/12532.

Aro

Núcleo de poliamix y banda de goma gris

Rango de temperatura: -20º ÷ +60º

Facilidad de desplazamiento Satisfactorio
Ruido durante la marcha Excelente
Protección del suelo Excelente

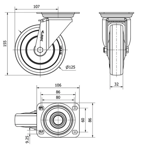
Datos técnicos 2-2389

EAN:
8422202223896
Tipo Soporte:
Giratorio
Tipo Fijación:
Platina
Tipo Freno:
Sin Freno
Material:
Goma
Cojinete:
Bolas
Diámetro (mm):
125
Ancho de banda (mm):
32
Medidas de la placa (mm):
106x86
Distancia entre agujeros (mm):
86/80x60
Diámetro agujero (mm):
8
Radio de giro (mm):
107
Altura total (mm):
155
Capacidad de carga (kg):
135
Peso Unitario de la rueda (kg):
1,004
Volumen (cm3):
2133
Datos técnicos 2-2389

Área Privada

Regístrate
Descargar en formatos 3D
Descargar en formatos 2D
DWG
Descargar PDF
PDF
Precio
--

Productos Similares

Contactar

Contacta con nosotros

Envíenos el siguiente formulario y nos pondremos en contacto con usted para atender su consulta.

Información de contacto:
Email: info@alex.es
Teléfono: (+34) 974 035 345
Horario:
Lunes a Viernes: 8-14h / 15-18h
Sábado y domingo: Cerrado
Responsable: Ruedas Alex, S.L.U, siendo la Finalidad: gestionar el contacto entre cualquier interesado y nuestros servicios de atención. La Legitimación: es gracias a tu consentimiento. Destinatarios: no se comunicarán los datos personales a ningún tercero. Podrás efercer Tus Derechos de Acceso, Rectificación, Supresión, Limitación, Oposición y Portabilidad en rgpd@alex.es. Para más información consulte la Política de Privacidad.

Manténgase informado de todas las novedades, ofertas y promociones que tenemos preparadas para usted.