Fabricantes desde 1958
Ruedas Alex

SERIE ZV-BS 2-2309

Ver Comparativa
Código: 2-2309

Ruedas de núcleo de metálico con banda de goma negra. Especialmente indicada para soportar cargas hasta 250 Kg.

Se aplica en carros de herramientas, carros tubulares, logística interna, gradas móviles, útiles de transporte, plataformas elevadoras, talleres, logística material misiones, restaurantes, barredoras, pulidoras, soldadura, hormigoneras, grúas móviles, remolques, granjas agrícolas,

mesas elevadoras, roll-palets, roll-tainers, contenedores.

BS: ruedas suaves y silenciosas. Maxima protección de los suelos. Absorción de golpes y vibraciones.

Componentes

Soporte

Chapa de acero hasta 4mm de espesor. Acabado cincado brillante. Soporte embutido con doble hilera de bolas. Modelo de uso universal para cargas medias. Fabricadas según normas europeas EN 12530/12532.

Aro

Núcleo metálico y banda de goma

Rango de temperatura: -20º ÷ +60º

Facilidad de desplazamiento Satisfactorio
Ruido durante la marcha Excelente
Protección del suelo Excelente

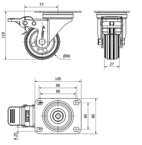
Datos técnicos 2-2309

EAN:
8422202223094
Tipo Soporte:
Giratorio
Tipo Fijación:
Platina
Tipo Freno:
Freno Rueda y Soporte
Material:
Goma
Cojinete:
Rodillos
Diámetro (mm):
80
Ancho de banda (mm):
27
Medidas de la placa (mm):
105x80
Distancia entre agujeros (mm):
86/80x60
Diámetro agujero (mm):
8
Radio de giro (mm):
77
Altura total (mm):
110
Capacidad de carga (kg):
80
Peso Unitario de la rueda (kg):
0,82
Volumen (cm3):
1509
Datos técnicos 2-2309

Área Privada

Regístrate
Descargar en formatos 3D
Descargar en formatos 2D
DWG
Descargar PDF
PDF
Precio
--

Productos Similares

Contactar

Contacta con nosotros

Envíenos el siguiente formulario y nos pondremos en contacto con usted para atender su consulta.

Información de contacto:
Email: info@alex.es
Teléfono: (+34) 974 035 345
Horario:
Lunes a Viernes: 8-14h / 15-18h
Sábado y domingo: Cerrado
Responsable: Ruedas Alex, S.L.U, siendo la Finalidad: gestionar el contacto entre cualquier interesado y nuestros servicios de atención. La Legitimación: es gracias a tu consentimiento. Destinatarios: no se comunicarán los datos personales a ningún tercero. Podrás efercer Tus Derechos de Acceso, Rectificación, Supresión, Limitación, Oposición y Portabilidad en rgpd@alex.es. Para más información consulte la Política de Privacidad.

Manténgase informado de todas las novedades, ofertas y promociones que tenemos preparadas para usted.