Fabricantes desde 1958
Ruedas Alex

SERIE ZV-AUGB 2-3925

Ver Comparativa
Código: 2-3925

Ruedas con núcleo de aluminio y banda de poliuretano verde de dureza 80º shoreA. Especialmente indicada para soportar cargas hasta 400 Kg.

Se aplica en útiles de transporte logístico, taller, aéreas de exteriores, logistica interna, carros de herramientas, carros tubulares, fábricas neumáticos, logística interna, carros de herramientas, útiles de transporte, plataformas elevadoras, carros de transporte, escaleras, barredoras, pulidoras, maquinas embalaje, cintas transportadoras, grúas móviles, carretillas elevadoras, caldererías, ebanistas, carpinterías metálicas, granjas agrícolas, mesas elevadoras, cárnicas, contenedores, polideportivos.

Principalmente en el sector aeronáutico, ferroviario, automoción, alimentación, talleres, actividades industrias.

Aplicadas en proyectos de ingeniería mecánica por delineantes y proyectistas.

AUGB: Poliuretano verde de gran capacidad de carga. Absorción de golpes.

Menor esfuerzo al giro y desplazamiento.

Componentes

Soporte

Chapa de acero hasta 4mm de espesor. Acabado cincado brillante. Soporte embutido con doble hilera de bolas. Modelo de uso universal para cargas medias. Fabricadas según normas europeas EN 12530/12532.

Aro

Núcleo de aluminio y banda de poliuretano verde ( 80º Shore A)

Rango de temperatura: -20º ÷ +60º

Facilidad de desplazamiento Bueno
Ruido durante la marcha Muy bueno
Protección del suelo Muy bueno

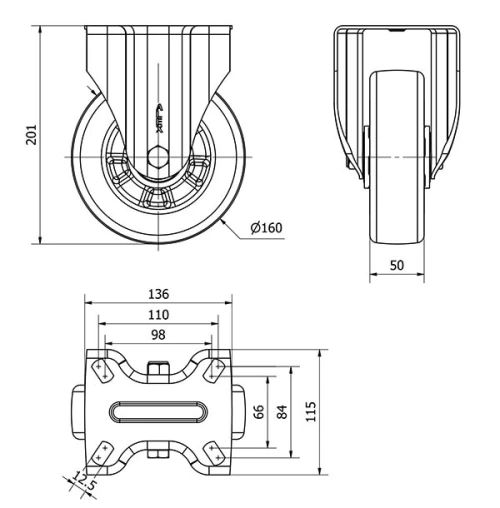
Datos técnicos 2-3925

EAN:
8422202239255
Tipo Soporte:
Fijo
Tipo Fijación:
Platina
Tipo Freno:
Sin Freno
Material:
Poliuretano
Dureza del bandaje:
80º SHORE A
Cojinete:
Bolas
Diámetro (mm):
160
Ancho de banda (mm):
50
Medidas de la placa (mm):
136x116
Distancia entre agujeros (mm):
105x80
Diámetro agujero (mm):
10
Altura total (mm):
201
Capacidad de carga (kg):
400
Peso Unitario de la rueda (kg):
2,38
Volumen (cm3):
2431,36
Datos técnicos 2-3925

Área Privada

Regístrate
Descargar en formatos 3D
Descargar en formatos 2D
DWG
Descargar PDF
PDF
Precio
--

Productos Similares

Contactar

Contacta con nosotros

Envíenos el siguiente formulario y nos pondremos en contacto con usted para atender su consulta.

Información de contacto:
Email: info@alex.es
Teléfono: (+34) 974 035 345
Horario:
Lunes a Viernes: 8-14h / 15-18h
Sábado y domingo: Cerrado
Responsable: Ruedas Alex, S.L.U, siendo la Finalidad: gestionar el contacto entre cualquier interesado y nuestros servicios de atención. La Legitimación: es gracias a tu consentimiento. Destinatarios: no se comunicarán los datos personales a ningún tercero. Podrás efercer Tus Derechos de Acceso, Rectificación, Supresión, Limitación, Oposición y Portabilidad en rgpd@alex.es. Para más información consulte la Política de Privacidad.

Manténgase informado de todas las novedades, ofertas y promociones que tenemos preparadas para usted.