Fabricantes desde 1958
Ruedas Alex

SERIE TVC-TPG 2-3706

Ver Comparativa
Código: 2-3706

Ruedas con núcleo de nylon negro y banda de goma. Especialmente indicadas para soportar altas cargas hasta 200 Kg.

Es utilizada en factorías alimentación, cintas transportadoras, maquinas embalajes, jaulas de transporte.

Aplicadas en proyectos de ingeniería mecánica por delineantes y proyectistas.

TPG: ideal en el traslado manual de cargas medianas y desplazamiento silencioso. Absorción de golpes y vibraciones. Máxima protección de los suelos y del equipo. Ideal para suelos irregulares.

Componentes

Soporte

Fabricada con chapa de acero de gran resistencia. Doble rodamiento de bolas Protector anti-polvo en el cojinete del soporte. Acabado cincado de alta resistencia al óxido. Fabricadas según normas europeas EN12532  

Aro

Núcleo de nylon negro y banda de goma

Rango de temperatura: -20º ÷ +60º

Facilidad de desplazamiento Satisfactorio
Ruido durante la marcha Excelente
Protección del suelo Excelente

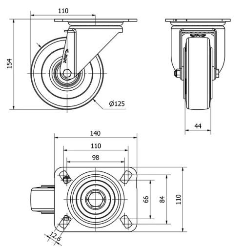
Datos técnicos 2-3706

EAN:
8422202237060
Tipo Soporte:
Giratorio
Tipo Fijación:
Platina
Tipo Freno:
Sin Freno
Material:
Goma
Cojinete:
Bolas
Diámetro (mm):
125
Ancho de banda (mm):
44
Medidas de la placa (mm):
139x110
Distancia entre agujeros (mm):
105x80
Diámetro agujero (mm):
10
Radio de giro (mm):
110
Altura total (mm):
154
Capacidad de carga (kg):
200
Peso Unitario de la rueda (kg):
1,64
Volumen (cm3):
3041
Datos técnicos 2-3706

Área Privada

Regístrate
Descargar en formatos 3D
Descargar en formatos 2D
DWG
Descargar PDF
PDF
Precio
--

Productos Similares

Contactar

Contacta con nosotros

Envíenos el siguiente formulario y nos pondremos en contacto con usted para atender su consulta.

Información de contacto:
Email: info@alex.es
Teléfono: (+34) 974 035 345
Horario:
Lunes a Viernes: 8-14h / 15-18h
Sábado y domingo: Cerrado
Responsable: Ruedas Alex, S.L.U, siendo la Finalidad: gestionar el contacto entre cualquier interesado y nuestros servicios de atención. La Legitimación: es gracias a tu consentimiento. Destinatarios: no se comunicarán los datos personales a ningún tercero. Podrás efercer Tus Derechos de Acceso, Rectificación, Supresión, Limitación, Oposición y Portabilidad en rgpd@alex.es. Para más información consulte la Política de Privacidad.

Manténgase informado de todas las novedades, ofertas y promociones que tenemos preparadas para usted.