Fabricantes desde 1958
Ruedas Alex

SERIE TVC-DE 2-3715

Ver Comparativa
Código: 2-3715

Ruedas de núcleo de aluminio con banda de goma negra elástica con una dureza 70˚ shore A. Especialmente indicada para soportar cargas hasta 250 Kg.

Se aplica en útiles de transporte logístico, área de exteriores, logística interna, gradas móviles, roll-tainers, plataformas elevadoras, carros de transporte, principalmente en sectores industriales, aeronáutico, ferroviario y automoción.

DE: ideal en el traslado manual de cargas medianas. Silenciosa. Absorción de golpes y vibraciones. Máxima protección de los suelos y del equipo. Ideal para suelos irregulares.

Componentes

Soporte

Fabricada con chapa de acero de gran resistencia. Doble rodamiento de bolas Protector anti-polvo en el cojinete del soporte. Acabado cincado de alta resistencia al óxido. Fabricadas según normas europeas EN12532  

Aro

Núcleo de aluminio y banda de goma elástica(70º Shore A)

Rango de temperatura: -20º ÷ +70º

Facilidad de desplazamiento Satisfactorio
Ruido durante la marcha Excelente
Protección del suelo Excelente

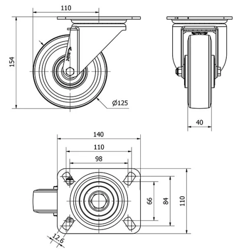
Datos técnicos 2-3715

EAN:
8422202237152
Tipo Soporte:
Giratorio
Tipo Fijación:
Platina
Tipo Freno:
Sin Freno
Material:
Goma
Dureza del bandaje:
70º SHORE A
Cojinete:
Bolas
Diámetro (mm):
125
Ancho de banda (mm):
40
Medidas de la placa (mm):
139x110
Distancia entre agujeros (mm):
105x80
Diámetro agujero (mm):
10
Radio de giro (mm):
110
Altura total (mm):
154
Capacidad de carga (kg):
250
Peso Unitario de la rueda (kg):
1,86
Volumen (cm3):
3041
Datos técnicos 2-3715

Área Privada

Regístrate
Descargar en formatos 3D
Descargar en formatos 2D
DWG
Descargar PDF
PDF
Precio
--

Productos Similares

Contactar

Contacta con nosotros

Envíenos el siguiente formulario y nos pondremos en contacto con usted para atender su consulta.

Información de contacto:
Email: info@alex.es
Teléfono: (+34) 974 035 345
Horario:
Lunes a Viernes: 8-14h / 15-18h
Sábado y domingo: Cerrado
Responsable: Ruedas Alex, S.L.U, siendo la Finalidad: gestionar el contacto entre cualquier interesado y nuestros servicios de atención. La Legitimación: es gracias a tu consentimiento. Destinatarios: no se comunicarán los datos personales a ningún tercero. Podrás efercer Tus Derechos de Acceso, Rectificación, Supresión, Limitación, Oposición y Portabilidad en rgpd@alex.es. Para más información consulte la Política de Privacidad.

Manténgase informado de todas las novedades, ofertas y promociones que tenemos preparadas para usted.