Fabricantes desde 1958
Ruedas Alex

SERIE TV-TT 2-4985

Ver Comparativa
Rueda hostelería mobiliario clínico agujero con freno poliuretano inyectado rojo  Alex
Código: 2-4985

Ruedas de resina, especialmente indicada para soportar altas temperaturas de hasta 300º y cargas hasta 125 Kg.

Se aplica en hornos, maquinaría ligera. Principalmente en sectores industriales, aeronáutico y automoción, alimentación.

Aplicadas en proyectos de ingeniería mecánica por delineantes y proyectistas.

TT: rueda de resina. Indicada para los sectores industriales.

Soporta temperaturas de hasta +280ºC en intervalos de 30 min.

Componentes

Soporte

Fabricada con chapa de acero embutido hasta 5m/m de espesor. Acabado cincado brillante de alta resistencia al óxido. Doble rodamiento a bolas reforzado con platillos intermedios y pistas de rodadura endurecidas. Protector anti-polvo en el cojinete del soporte. Fabricadas según normas europeas en 12532.

Aro

Rueda de resina

Rango de temperatura: -30º ÷ +280º

Facilidad de desplazamiento Muy bueno
Ruido durante la marcha Satisfactorio
Protección del suelo Satisfactorio

Datos técnicos 2-4985

EAN:
8422202249858
Tipo Soporte:
Giratorio
Tipo Fijación:
Platina
Tipo Freno:
Freno Rueda y Soporte
Material:
Resina Fenolica
Cojinete:
Bolas
Color:
Negro
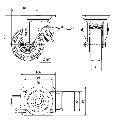
Diámetro (mm):
100
Ancho de banda (mm):
34
Medidas de la placa (mm):
106x86
Distancia entre agujeros (mm):
86/80x60
Diámetro agujero (mm):
8
Radio de giro (mm):
81
Altura total (mm):
140
Capacidad de carga (kg):
125
Volumen (cm3):
2336
Datos técnicos 2-4985

Área Privada

Regístrate
Descargar en formatos 3D
Descargar en formatos 2D
DWG
Descargar PDF
PDF
Precio
--

Productos Similares

Contactar

Contacta con nosotros

Envíenos el siguiente formulario y nos pondremos en contacto con usted para atender su consulta.

Información de contacto:
Email: info@alex.es
Teléfono: (+34) 974 035 345
Horario:
Lunes a Viernes: 8-14h / 15-18h
Sábado y domingo: Cerrado
Responsable: Ruedas Alex, S.L.U, siendo la Finalidad: gestionar el contacto entre cualquier interesado y nuestros servicios de atención. La Legitimación: es gracias a tu consentimiento. Destinatarios: no se comunicarán los datos personales a ningún tercero. Podrás efercer Tus Derechos de Acceso, Rectificación, Supresión, Limitación, Oposición y Portabilidad en rgpd@alex.es. Para más información consulte la Política de Privacidad.

Manténgase informado de todas las novedades, ofertas y promociones que tenemos preparadas para usted.