Fabricantes desde 1958
Ruedas Alex

SERIE TV-TPG 2-1606

Ver Comparativa
Rueda industrial giratoria con freno alta carga goma Alex
Código: 2-1606

Ruedas con núcleo de nylon negro y banda de goma. Especialmente indicadas para soportar altas cargas hasta 280 Kg.

Es utilizada en factorías alimentación, cintas transportadoras, maquinas embalajes, jaulas de transporte.

Aplicadas en proyectos de ingeniería mecánica por delineantes y proyectistas.

TPG: ideal en el traslado manual de cargas medianas y desplazamiento silencioso. Absorción de golpes y vibraciones. Máxima protección de los suelos y del equipo. Ideal para suelos irregulares.

Componentes

Soporte

Fabricada con chapa de acero embutido hasta 5m/m de espesor. Acabado cincado brillante de alta resistencia al óxido. Doble rodamiento a bolas reforzado con platillos intermedios y pistas de rodadura endurecidas. Protector anti-polvo en el cojinete del soporte. Fabricadas según normas europeas en 12532.

Aro

Núcleo de nylon negro y banda de goma

Rango de temperatura: -20º ÷ +60º

Facilidad de desplazamiento Satisfactorio
Ruido durante la marcha Excelente
Protección del suelo Excelente

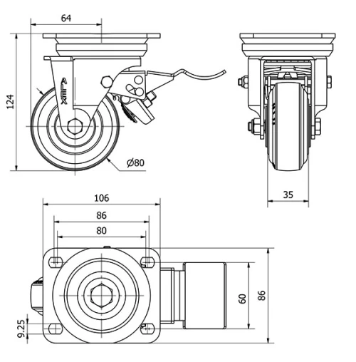
Datos técnicos 2-1606

EAN:
8422202216065
Tipo Soporte:
Giratorio
Tipo Fijación:
Platina
Tipo Freno:
Freno Rueda y Soporte
Material:
Goma
Cojinete:
Liso
Diámetro (mm):
80
Ancho de banda (mm):
35
Medidas de la placa (mm):
106x86
Distancia entre agujeros (mm):
86/80x60
Diámetro agujero (mm):
8
Radio de giro (mm):
64
Altura total (mm):
124
Capacidad de carga (kg):
110
Peso Unitario de la rueda (kg):
1,34
Volumen (cm3):
1888
Datos técnicos 2-1606

Área Privada

Regístrate
Descargar en formatos 3D
Descargar en formatos 2D
DWG
Descargar PDF
PDF
Precio
--

Productos Similares

Contactar

Contacta con nosotros

Envíenos el siguiente formulario y nos pondremos en contacto con usted para atender su consulta.

Información de contacto:
Email: info@alex.es
Teléfono: (+34) 974 035 345
Horario:
Lunes a Viernes: 8-14h / 15-18h
Sábado y domingo: Cerrado
Responsable: Ruedas Alex, S.L.U, siendo la Finalidad: gestionar el contacto entre cualquier interesado y nuestros servicios de atención. La Legitimación: es gracias a tu consentimiento. Destinatarios: no se comunicarán los datos personales a ningún tercero. Podrás efercer Tus Derechos de Acceso, Rectificación, Supresión, Limitación, Oposición y Portabilidad en rgpd@alex.es. Para más información consulte la Política de Privacidad.

Manténgase informado de todas las novedades, ofertas y promociones que tenemos preparadas para usted.