Fabricantes desde 1958
Ruedas Alex

SERIE TV-TN 2-0948

Ver Comparativa
Rueda industrial giratoria con freno alta carga nylon Alex
Código: 2-0948

Ruedas de nylon blanco especialmente indicadas para soportar altas cargas hasta 600 Kg.

Se aplica en útiles de logística interna, carros de herramientas, carros tubulares, gradas móviles, útiles de transporte, plataformas elevadoras, factorías de alimentación, talleres, escaleras, maquinas de embalajes, cintas transportadoras, contenedores, roll-tainers, jaulas de transporte, canastas de baloncesto. Principalmente en sectores industriales, aeronáutico y automoción.

Aplicadas en proyectos de ingeniería mecánica por delineantes y proyectistas.

TN: Robustas y resistentes. Indeformables, fácil desplazamiento con altas cargas. No manchan el suelo. Especialmente indicadas para sectores industriales.

Componentes

Soporte

Fabricada con chapa de acero embutido hasta 5m/m de espesor. Acabado cincado brillante de alta resistencia al óxido. Doble rodamiento a bolas reforzado con platillos intermedios y pistas de rodadura endurecidas. Protector anti-polvo en el cojinete del soporte. Fabricadas según normas europeas en 12532.

Aro

Rueda de nylon extrafuerte

Rango de temperatura: -30º ÷ +80º

Facilidad de desplazamiento Excelente
Ruido durante la marcha Satisfactorio
Protección del suelo Satisfactorio

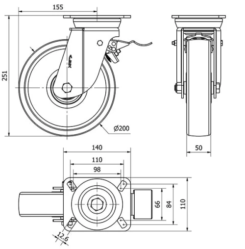
Datos técnicos 2-0948

EAN:
8422202209487
Tipo Soporte:
Giratorio
Tipo Fijación:
Platina
Tipo Freno:
Freno Rueda y Soporte
Material:
Nylon - Poliamida
Cojinete:
Bolas
Diámetro (mm):
200
Ancho de banda (mm):
50
Medidas de la placa (mm):
139x110
Distancia entre agujeros (mm):
105x80
Diámetro agujero (mm):
10
Radio de giro (mm):
155
Altura total (mm):
251
Capacidad de carga (kg):
650
Peso Unitario de la rueda (kg):
3,46
Volumen (cm3):
7372
Datos técnicos 2-0948

Área Privada

Regístrate
Descargar en formatos 3D
Descargar en formatos 2D
DWG
Descargar PDF
PDF
Precio
--

Productos Similares

Contactar

Contacta con nosotros

Envíenos el siguiente formulario y nos pondremos en contacto con usted para atender su consulta.

Información de contacto:
Email: info@alex.es
Teléfono: (+34) 974 035 345
Horario:
Lunes a Viernes: 8-14h / 15-18h
Sábado y domingo: Cerrado
Responsable: Ruedas Alex, S.L.U, siendo la Finalidad: gestionar el contacto entre cualquier interesado y nuestros servicios de atención. La Legitimación: es gracias a tu consentimiento. Destinatarios: no se comunicarán los datos personales a ningún tercero. Podrás efercer Tus Derechos de Acceso, Rectificación, Supresión, Limitación, Oposición y Portabilidad en rgpd@alex.es. Para más información consulte la Política de Privacidad.

Manténgase informado de todas las novedades, ofertas y promociones que tenemos preparadas para usted.