Fabricantes desde 1958
Ruedas Alex

SERIE TV-TD 2-4003

Ver Comparativa
Rueda conductiva hostelería mobiliario clínico agujero poliuretano gris conductivo Alex
Código: 2-4003

Ruedas de resina extrafuerte, especialmente indicada para soportar altas temperaturas de hasta 200 º y cargas hasta 700 Kg.

Se aplica en hornos, maquinaría ligera. Principalmente en sectores industriales, aeronáutico y automoción, alimentación.

Aplicadas en proyectos de ingeniería mecánica por delineantes y proyectistas.

TD: rueda extrafuerte de resina. Indicada para los sectores industriales.

Componentes

Soporte

Fabricada con chapa de acero embutido hasta 5m/m de espesor. Acabado cincado brillante de alta resistencia al óxido. Doble rodamiento a bolas reforzado con platillos intermedios y pistas de rodadura endurecidas. Protector anti-polvo en el cojinete del soporte. Fabricadas según normas europeas en 12532.

Aro

Rueda de resina

Rango de temperatura: -40º ÷ +200º

Facilidad de desplazamiento Muy bueno
Ruido durante la marcha Satisfactorio
Protección del suelo Satisfactorio

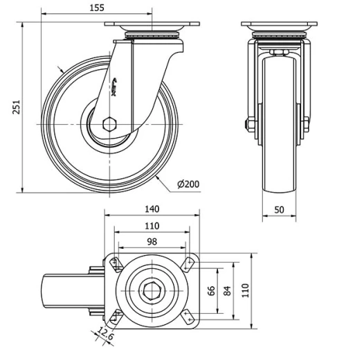
Datos técnicos 2-4003

EAN:
8422202240039
Tipo Soporte:
Giratorio
Tipo Fijación:
Platina
Tipo Freno:
Sin Freno
Material:
Resina Fenolica
Cojinete:
Liso
Diámetro (mm):
200
Ancho de banda (mm):
50
Medidas de la placa (mm):
139x110
Distancia entre agujeros (mm):
105x80
Diámetro agujero (mm):
10
Radio de giro (mm):
155
Altura total (mm):
251
Capacidad de carga (kg):
800
Volumen (cm3):
6198
Datos técnicos 2-4003

Área Privada

Regístrate
Descargar en formatos 3D
Descargar en formatos 2D
DWG
Descargar PDF
PDF
Precio
--

Productos Similares

Contactar

Contacta con nosotros

Envíenos el siguiente formulario y nos pondremos en contacto con usted para atender su consulta.

Información de contacto:
Email: info@alex.es
Teléfono: (+34) 974 035 345
Horario:
Lunes a Viernes: 8-14h / 15-18h
Sábado y domingo: Cerrado
Responsable: Ruedas Alex, S.L.U, siendo la Finalidad: gestionar el contacto entre cualquier interesado y nuestros servicios de atención. La Legitimación: es gracias a tu consentimiento. Destinatarios: no se comunicarán los datos personales a ningún tercero. Podrás efercer Tus Derechos de Acceso, Rectificación, Supresión, Limitación, Oposición y Portabilidad en rgpd@alex.es. Para más información consulte la Política de Privacidad.

Manténgase informado de todas las novedades, ofertas y promociones que tenemos preparadas para usted.