Fabricantes desde 1958
Ruedas Alex

SERIE TV-TA 2-0032

Ver Comparativa
Rueda fija alta temperatura acero Alex
Código: 2-0032

Ruedas de acero, especialmente indicada para soportar altas cargas hasta 800 Kg.

Se aplica principalmente en sectores industriales, automoción, alimentación, agrícolas.

Aplicadas en proyectos de ingeniería mecánica por delineantes y proyectistas.

TA: condiciones de trabajo muy severas donde la existencia de objetos cortantes productos químicos o temperaturas excesivas destruirían a otros tipos de ruedas. Gran capacidad de carga.

Para temperaturas superiores a 200º reducir carga (Kg) un 40%.

Componentes

Soporte

Fabricada con chapa de acero embutido hasta 5m/m de espesor. Acabado cincado brillante de alta resistencia al óxido. Doble rodamiento a bolas reforzado con platillos intermedios y pistas de rodadura endurecidas. Protector anti-polvo en el cojinete del soporte. Fabricadas según normas europeas en 12532.

Aro

Rueda de acero

Rango de temperatura: -40º ÷ +300º

Facilidad de desplazamiento Excelente
Ruido durante la marcha Suficiente
Protección del suelo Suficiente

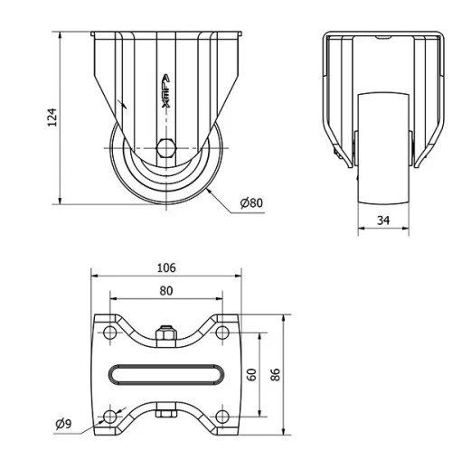
Datos técnicos 2-0032

EAN:
8422202200323
Tipo Soporte:
Fijo
Tipo Fijación:
Platina
Tipo Freno:
Sin Freno
Material:
Acero
Cojinete:
Liso
Diámetro (mm):
80
Ancho de banda (mm):
34
Medidas de la placa (mm):
106x86
Distancia entre agujeros (mm):
80x60
Diámetro agujero (mm):
8
Altura total (mm):
124
Capacidad de carga (kg):
300
Peso Unitario de la rueda (kg):
1,32
Volumen (cm3):
1130
Datos técnicos 2-0032

Área Privada

Regístrate
Descargar en formatos 3D
Descargar en formatos 2D
DWG
Descargar PDF
PDF
Precio
--

Productos Similares

Contactar

Contacta con nosotros

Envíenos el siguiente formulario y nos pondremos en contacto con usted para atender su consulta.

Información de contacto:
Email: info@alex.es
Teléfono: (+34) 974 035 345
Horario:
Lunes a Viernes: 8-14h / 15-18h
Sábado y domingo: Cerrado
Responsable: Ruedas Alex, S.L.U, siendo la Finalidad: gestionar el contacto entre cualquier interesado y nuestros servicios de atención. La Legitimación: es gracias a tu consentimiento. Destinatarios: no se comunicarán los datos personales a ningún tercero. Podrás efercer Tus Derechos de Acceso, Rectificación, Supresión, Limitación, Oposición y Portabilidad en rgpd@alex.es. Para más información consulte la Política de Privacidad.

Manténgase informado de todas las novedades, ofertas y promociones que tenemos preparadas para usted.