Fabricantes desde 1958
Ruedas Alex

SERIE TV-PO 2-0311

Ver Comparativa
Rueda industrial giratoria alta carga poliuretano Alex
Código: 2-0311

Ruedas con núcleo de nylon blanco y banda de poliuretano rojo dureza 90-95º shore A. Especialmente indicada para soportar altas cargas de hasta 600 Kg.

Se aplica en útiles de transporte logístico, aéreas de exterior, carros de herramientas, logística interna, carros tubulares, fábricas neumáticos, gradas móviles, útiles de transporte, plataformas elevadoras, factorías alimentación, carros de transporte, talleres, logística material misiones, transporte de útiles, escaleras, barredoras, pulidoras, maquinas embalaje, cintas transportadoras, maquinaria pesada.

Principalmente en el sector aeronáutico, ferroviario y automoción, alimentación.

Aplicadas en proyectos de ingeniería mecánica por delineantes y proyectistas.

PO: Silenciosa. Ofrece gran protección de los suelos. Gran duración al desgaste. Resistente a los aceites, grasas y virutas.

Componentes

Soporte

Fabricada con chapa de acero embutido hasta 5m/m de espesor. Acabado cincado brillante de alta resistencia al óxido. Doble rodamiento a bolas reforzado con platillos intermedios y pistas de rodadura endurecidas. Protector anti-polvo en el cojinete del soporte. Fabricadas según normas europeas en 12532.

Aro

Núcleo de nylon blanco y banda de poliuretano rojo( 95º shore A)

Rango de temperatura: -25º ÷ +80º

Facilidad de desplazamiento Muy bueno
Ruido durante la marcha Muy bueno
Protección del suelo Muy bueno

Datos técnicos 2-0311

EAN:
8422202203119
Tipo Soporte:
Giratorio
Tipo Fijación:
Platina
Tipo Freno:
Sin Freno
Material:
Poliuretano
Dureza del bandaje:
90-95º SHORE A
Cojinete:
Bolas
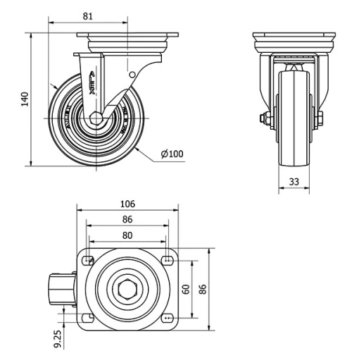
Diámetro (mm):
100
Ancho de banda (mm):
33
Medidas de la placa (mm):
106x86
Distancia entre agujeros (mm):
86/80x60
Diámetro agujero (mm):
8
Radio de giro (mm):
81
Altura total (mm):
140
Capacidad de carga (kg):
200
Peso Unitario de la rueda (kg):
1,22
Volumen (cm3):
1613
Datos técnicos 2-0311

Área Privada

Regístrate
Descargar en formatos 3D
Descargar en formatos 2D
DWG
Descargar PDF
PDF
Precio
--

Productos Similares

Contactar

Contacta con nosotros

Envíenos el siguiente formulario y nos pondremos en contacto con usted para atender su consulta.

Información de contacto:
Email: info@alex.es
Teléfono: (+34) 974 035 345
Horario:
Lunes a Viernes: 8-14h / 15-18h
Sábado y domingo: Cerrado
Responsable: Ruedas Alex, S.L.U, siendo la Finalidad: gestionar el contacto entre cualquier interesado y nuestros servicios de atención. La Legitimación: es gracias a tu consentimiento. Destinatarios: no se comunicarán los datos personales a ningún tercero. Podrás efercer Tus Derechos de Acceso, Rectificación, Supresión, Limitación, Oposición y Portabilidad en rgpd@alex.es. Para más información consulte la Política de Privacidad.

Manténgase informado de todas las novedades, ofertas y promociones que tenemos preparadas para usted.