Fabricantes desde 1958
Ruedas Alex

SERIE TV-HG 2-2048

Ver Comparativa
Rueda industrial giratoria con freno alta carga goma Alex
Código: 2-2048

Ruedas con núcleo de acero y banda de goma negra natural, especialmente indicada para soportar altas cargas hasta 600 Kg.

Se aplica en útiles de transporte logístico, talleres, logística interna, plataformas elevadoras, barredoras, pulidoras. Carretillas. Principalmente en sectores industriales, aeronáutico, ferroviario y automoción.

Aplicadas en proyectos de ingeniería mecánica por delineantes y proyectistas.

HG: rueda apropiada para tracción mecánica (carretillas elevadoras, remolques etc…) y manual. Industria en general, silenciosas. Protege los suelos.

Componentes

Soporte

Fabricada con chapa de acero embutido hasta 5m/m de espesor. Acabado cincado brillante de alta resistencia al óxido. Doble rodamiento a bolas reforzado con platillos intermedios y pistas de rodadura endurecidas. Protector anti-polvo en el cojinete del soporte. Fabricadas según normas europeas en 12532.

Aro

Núcleo de acero y banda de goma con engrasador.

Facilidad de desplazamiento Satisfactorio
Ruido durante la marcha Excelente
Protección del suelo Excelente

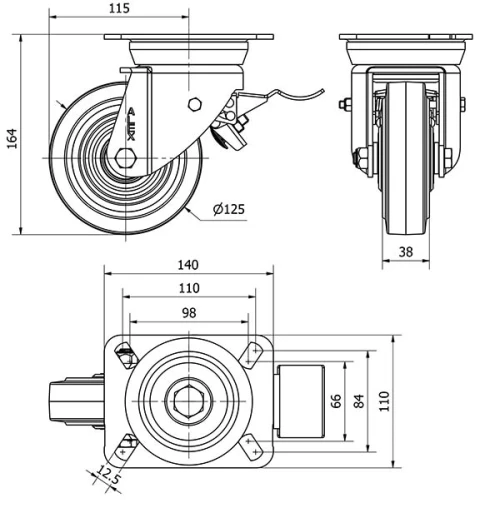
Datos técnicos 2-2048

EAN:
8422202220482
Tipo Soporte:
Giratorio
Tipo Fijación:
Platina
Tipo Freno:
Freno Rueda y Soporte
Material:
Goma
Cojinete:
Bolas
Diámetro (mm):
125
Ancho de banda (mm):
38
Medidas de la placa (mm):
139x110
Distancia entre agujeros (mm):
105x80
Diámetro agujero (mm):
10
Radio de giro (mm):
115
Altura total (mm):
164
Capacidad de carga (kg):
250
Peso Unitario de la rueda (kg):
3,63
Volumen (cm3):
4095
Datos técnicos 2-2048

Área Privada

Regístrate
Descargar en formatos 3D
Descargar en formatos 2D
DWG
Descargar PDF
PDF
Precio
--

Productos Similares

Contactar

Contacta con nosotros

Envíenos el siguiente formulario y nos pondremos en contacto con usted para atender su consulta.

Información de contacto:
Email: info@alex.es
Teléfono: (+34) 974 035 345
Horario:
Lunes a Viernes: 8-14h / 15-18h
Sábado y domingo: Cerrado
Responsable: Ruedas Alex, S.L.U, siendo la Finalidad: gestionar el contacto entre cualquier interesado y nuestros servicios de atención. La Legitimación: es gracias a tu consentimiento. Destinatarios: no se comunicarán los datos personales a ningún tercero. Podrás efercer Tus Derechos de Acceso, Rectificación, Supresión, Limitación, Oposición y Portabilidad en rgpd@alex.es. Para más información consulte la Política de Privacidad.

Manténgase informado de todas las novedades, ofertas y promociones que tenemos preparadas para usted.