Fabricantes desde 1958
Ruedas Alex

SERIE SLR-HG 2-3644

Ver Comparativa
Código: 2-3644

Ruedas con núcleo de acero y banda de goma negra natural, especialmente indicada para soportar altas cargas hasta 600 Kg.

Se aplica en útiles de transporte logístico, talleres, áreas de exteriores, carroceros, gradas móviles, logística interna, plataformas elevadoras, carros de transporte, logística material misiones, maquinaria pesada del sector de la construcción, grúas móviles, caldererías, . Principalmente en sectores industriales, aeronáutico, ferroviario y automoción.

Aplicadas en proyectos de ingeniería mecánica por delineantes y proyectistas.

HG: rueda apropiada para tracción mecánica (carretillas elevadoras, remolques etc…) y manual. Industria en general. Gran protección de los suelos.

Componentes

Soporte

Fabricada con acero soldado desde 6 m/m hasta 8 m/m de espesor. Doble cabezal giratorio, el superior de bolas grandes de acero y el inferior de precisión que facilita los esfuerzos de giro, radiales y axiales. Modelo construido especialemente para: carretillas grandes con empuje mecánico, manutención de factorías, industrias metalúrgicas. Acabado cincado blanco. Fabricadas según normas europeas EN 12532.

Aro

Núcleo de acero y banda de goma con engrasador.

Facilidad de desplazamiento Satisfactorio
Ruido durante la marcha Excelente
Protección del suelo Excelente

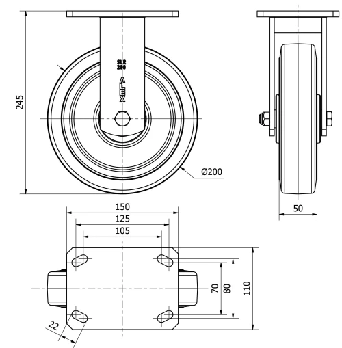
Datos técnicos 2-3644

EAN:
8422202236445
Tipo Soporte:
Fijo
Tipo Fijación:
Platina
Tipo Freno:
Sin Freno
Material:
Goma
Cojinete:
Bolas
Diámetro (mm):
200
Ancho de banda (mm):
50
Medidas de la placa (mm):
150x110
Distancia entre agujeros (mm):
125x70/105x80
Diámetro agujero (mm):
10
Altura total (mm):
245
Capacidad de carga (kg):
600
Peso Unitario de la rueda (kg):
6,015
Volumen (cm3):
5390
Datos técnicos 2-3644

Área Privada

Regístrate
Descargar en formatos 3D
Descargar en formatos 2D
DWG
Descargar PDF
PDF
Precio
--

Productos Similares

Contactar

Contacta con nosotros

Envíenos el siguiente formulario y nos pondremos en contacto con usted para atender su consulta.

Información de contacto:
Email: info@alex.es
Teléfono: (+34) 974 035 345
Horario:
Lunes a Viernes: 8-14h / 15-18h
Sábado y domingo: Cerrado
Responsable: Ruedas Alex, S.L.U, siendo la Finalidad: gestionar el contacto entre cualquier interesado y nuestros servicios de atención. La Legitimación: es gracias a tu consentimiento. Destinatarios: no se comunicarán los datos personales a ningún tercero. Podrás efercer Tus Derechos de Acceso, Rectificación, Supresión, Limitación, Oposición y Portabilidad en rgpd@alex.es. Para más información consulte la Política de Privacidad.

Manténgase informado de todas las novedades, ofertas y promociones que tenemos preparadas para usted.