Fabricantes desde 1958
Ruedas Alex

SERIE SLR-FT 2-3679

Ver Comparativa
Código: 2-3679

Ruedas de nylon extrafuerte, especialmente indicada para soportar altas cargas hasta 1.000 Kg.

Se aplica en útiles de transporte logístico, área de exteriores, salas blancas, logística interna, gradas móviles, plataformas elevadoras, carros de transporte, logística material misiones, maquinaria pesada del sector de la construcción, grúas móviles y polideportivos, carroceros, petroquímicas, principalmente en el sector aeronáutico, ferroviario y automoción.

FT: especialmente indicada para aplicaciones en sectores industriales y alimentarios. No mancha el suelo. Extrafuerte. Conserveras.

Componentes

Soporte

Fabricada con acero soldado desde 6 m/m hasta 8 m/m de espesor. Doble cabezal giratorio, el superior de bolas grandes de acero y el inferior de precisión que facilita los esfuerzos de giro, radiales y axiales. Modelo construido especialemente para: carretillas grandes con empuje mecánico, manutención de factorías, industrias metalúrgicas. Acabado cincado blanco. Fabricadas según normas europeas EN 12532.

Aro

Rueda de nylon extrafuerte

Rango de temperatura: -30º ÷ +80º

Facilidad de desplazamiento Excelente
Ruido durante la marcha Satisfactorio
Protección del suelo Satisfactorio

Datos técnicos 2-3679

EAN:
8422202236797
Tipo Soporte:
Giratorio
Tipo Fijación:
Platina
Tipo Freno:
Freno Rueda y Soporte
Material:
Nylon - Poliamida
Cojinete:
Liso
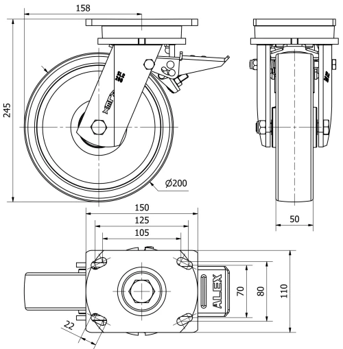
Diámetro (mm):
200
Ancho de banda (mm):
50
Medidas de la placa (mm):
150x110
Distancia entre agujeros (mm):
125x70/105x80
Diámetro agujero (mm):
10
Radio de giro (mm):
158
Altura total (mm):
245
Capacidad de carga (kg):
1000
Peso Unitario de la rueda (kg):
4,36
Volumen (cm3):
7169
Datos técnicos 2-3679

Área Privada

Regístrate
Descargar en formatos 3D
Descargar en formatos 2D
DWG
Descargar PDF
PDF
Precio
--

Productos Similares

Contactar

Contacta con nosotros

Envíenos el siguiente formulario y nos pondremos en contacto con usted para atender su consulta.

Información de contacto:
Email: info@alex.es
Teléfono: (+34) 974 035 345
Horario:
Lunes a Viernes: 8-14h / 15-18h
Sábado y domingo: Cerrado
Responsable: Ruedas Alex, S.L.U, siendo la Finalidad: gestionar el contacto entre cualquier interesado y nuestros servicios de atención. La Legitimación: es gracias a tu consentimiento. Destinatarios: no se comunicarán los datos personales a ningún tercero. Podrás efercer Tus Derechos de Acceso, Rectificación, Supresión, Limitación, Oposición y Portabilidad en rgpd@alex.es. Para más información consulte la Política de Privacidad.

Manténgase informado de todas las novedades, ofertas y promociones que tenemos preparadas para usted.