Fabricantes desde 1958
Ruedas Alex

SERIE SL-PO 4-0961

Ver Comparativa
Código: 4-0961

Ruedas con núcleo de nylon blanco y banda de poliuretano rojo dureza 90-95º shore A. Especialmente indicada para soportar altas cargas de hasta 600 Kg.

Se aplica en útiles de transporte logístico, aéreas de exterior, logística interna, carroceros, gradas móviles, plataformas elevadoras, logística material misiones, maquinaria pesada, grúas móviles, mesas elevadoras, caldererías.

Principalmente en el sector aeronáutico, ferroviario y automoción.

Aplicadas en proyectos de ingeniería mecánica por delineantes y proyectistas.

PO: funcionamiento elástico. Silenciosa. Ofrece gran protección de los suelos. Gran duración al desgaste. Resistente a los aceites, grasas y virutas.

Componentes

Soporte

Fabricada con acero hasta 5m/m de espesor. Acabado cincado bicromatizado. Cabezal giratorio con una pista endurecida de doble hilera de bolas, para una mayor longevidad de la rueda. Fabricadas según normas europeas EN 12532.

Aro

Núcleo de nylon blanco y banda de poliuretano rojo( 95º shore A)

Rango de temperatura: -25º ÷ +80º

Facilidad de desplazamiento Muy bueno
Ruido durante la marcha Muy bueno
Protección del suelo Muy bueno

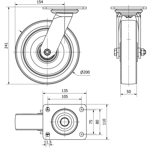
Datos técnicos 4-0961

EAN:
8422202409610
Tipo Soporte:
Giratorio
Tipo Fijación:
Platina
Tipo Freno:
Sin Freno
Material:
Poliuretano
Dureza del bandaje:
90-95º SHORE A
Cojinete:
Bolas
Diámetro (mm):
200
Ancho de banda (mm):
50
Medidas de la placa (mm):
135x110
Distancia entre agujeros (mm):
105x80
Diámetro agujero (mm):
10
Radio de giro (mm):
154
Altura total (mm):
241
Capacidad de carga (kg):
600
Peso Unitario de la rueda (kg):
3,458
Volumen (cm3):
5872
Datos técnicos 4-0961

Área Privada

Regístrate
Descargar en formatos 3D
Descargar en formatos 2D
DWG
Descargar PDF
PDF
Precio
--

Productos Similares

Contactar

Contacta con nosotros

Envíenos el siguiente formulario y nos pondremos en contacto con usted para atender su consulta.

Información de contacto:
Email: info@alex.es
Teléfono: (+34) 974 035 345
Horario:
Lunes a Viernes: 8-14h / 15-18h
Sábado y domingo: Cerrado
Responsable: Ruedas Alex, S.L.U, siendo la Finalidad: gestionar el contacto entre cualquier interesado y nuestros servicios de atención. La Legitimación: es gracias a tu consentimiento. Destinatarios: no se comunicarán los datos personales a ningún tercero. Podrás efercer Tus Derechos de Acceso, Rectificación, Supresión, Limitación, Oposición y Portabilidad en rgpd@alex.es. Para más información consulte la Política de Privacidad.

Manténgase informado de todas las novedades, ofertas y promociones que tenemos preparadas para usted.