Fabricantes desde 1958
Ruedas Alex

SERIE 61-TA 4-1161

Ver Comparativa
Rueda giratoria alta temperatura acero Alex
Código: 4-1161

Ruedas de acero, especialmente indicada para soportar altas cargas hasta 680 Kg.

Se aplica en útiles de transporte logístico, taller, aéreas de exteriores, Logistica interna, carros de herramientas, carros tubulares, logística interna, carros de herramientas, útiles de transporte, plataformas elevadoras, carros de transporte, escaleras, barredoras, pulidoras, maquinas embalaje, cintas transportadoras, grúas móviles, carretillas elevadoras, caldererías, ebanistas, carpinterías metálicas, granjas agrícolas, mesas elevadoras, cárnicas, contenedores.

Principalmente en el sector aeronáutico, ferroviario, automoción, alimentación, talleres, actividades industrias.

Aplicadas en proyectos de ingeniería mecánica por delineantes y proyectistas.

TA: condiciones de trabajo muy severas donde la existencia de objetos cortantes productos químicos o temperaturas excesivas destruirían a otros tipos de ruedas. Gran capacidad de carga.

Para temperaturas superiores a 200º reducir carga (Kg) un 40%.

Componentes

Soporte

Horquillla construida para trabajos duros. Con chapa de acero hasta 4mm de espesor. Acabado cincado. La robusta construcción de la horquilla ofrece una combinación de alta eficacia, larga duración y excelente rendimiento. Fabricadas según normas europeas EN 12532.

Aro

Rueda de acero

Rango de temperatura: -40º ÷ +300º

Facilidad de desplazamiento Excelente
Ruido durante la marcha Suficiente
Protección del suelo Suficiente

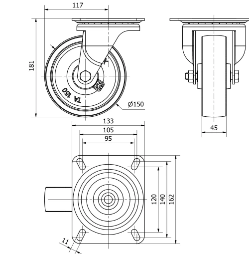
Datos técnicos 4-1161

EAN:
8422202411613
Tipo Soporte:
Giratorio
Tipo Fijación:
Platina
Tipo Freno:
Sin Freno
Material:
Acero
Cojinete:
Liso
Diámetro (mm):
150
Ancho de banda (mm):
45
Medidas de la placa (mm):
162x133
Distancia entre agujeros (mm):
140x105/120x95
Diámetro agujero (mm):
10
Radio de giro (mm):
117
Altura total (mm):
181
Capacidad de carga (kg):
680
Peso Unitario de la rueda (kg):
4,828
Volumen (cm3):
4766
Datos técnicos 4-1161

Área Privada

Regístrate
Descargar en formatos 3D
Descargar en formatos 2D
DWG
Descargar PDF
PDF
Precio
--

Productos Similares

Contactar

Contacta con nosotros

Envíenos el siguiente formulario y nos pondremos en contacto con usted para atender su consulta.

Información de contacto:
Email: info@alex.es
Teléfono: (+34) 974 035 345
Horario:
Lunes a Viernes: 8-14h / 15-18h
Sábado y domingo: Cerrado
Responsable: Ruedas Alex, S.L.U, siendo la Finalidad: gestionar el contacto entre cualquier interesado y nuestros servicios de atención. La Legitimación: es gracias a tu consentimiento. Destinatarios: no se comunicarán los datos personales a ningún tercero. Podrás efercer Tus Derechos de Acceso, Rectificación, Supresión, Limitación, Oposición y Portabilidad en rgpd@alex.es. Para más información consulte la Política de Privacidad.

Manténgase informado de todas las novedades, ofertas y promociones que tenemos preparadas para usted.