Fabricantes desde 1958
Ruedas Alex

SERIE 61-FT 4-0097

Ver Comparativa
Rueda industrial giratoria alta carga nylon Alex
Código: 4-0097

Rueda de nylon extrafuerte, especialmente indicada para soportar altas cargas hasta 650 Kg.

Se aplica en útiles de transporte logístico, taller, aéreas de exteriores, Logistica interna, carros de herramientas, carros tubulares, contenedores para la evacuación de residuos, logística interna, carros de herramientas, útiles de transporte, plataformas elevadoras, carros de transporte, escaleras, barredoras, pulidoras, maquinas embalaje, cintas transportadoras, grúas móviles, carretillas elevadoras, caldererías, ebanistas, carpinterías metálicas, granjas agrícolas, mesas elevadoras, cárnicas, contenedores.

Principalmente en el sector aeronáutico, ferroviario, automoción, alimentación, talleres, actividades industrias.

Aplicadas en proyectos de ingeniería mecánica por delineantes y proyectistas.

FT: Ruedas especialmente indicada para aplicaciones en industrias alimentarias y químicas. No mancha el suelo. Extrafuerte. Alta resistencia a golpes y choques.

Componentes

Soporte

Horquillla construida para trabajos duros. Con chapa de acero hasta 4mm de espesor. Acabado cincado. La robusta construcción de la horquilla ofrece una combinación de alta eficacia, larga duración y excelente rendimiento. Fabricadas según normas europeas EN 12532.

Aro

Rueda de nylon extrafuerte

Rango de temperatura: -30º ÷ +80º

Facilidad de desplazamiento Excelente
Ruido durante la marcha Satisfactorio
Protección del suelo Satisfactorio

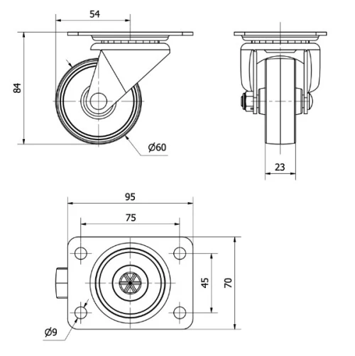
Datos técnicos 4-0097

EAN:
8422202400976
Tipo Soporte:
Giratorio
Tipo Fijación:
Platina
Tipo Freno:
Sin Freno
Material:
Nylon - Poliamida
Cojinete:
Liso
Diámetro (mm):
60
Ancho de banda (mm):
23
Medidas de la placa (mm):
95x70
Distancia entre agujeros (mm):
75x45
Diámetro agujero (mm):
8
Radio de giro (mm):
56
Altura total (mm):
84
Capacidad de carga (kg):
125
Peso Unitario de la rueda (kg):
0,38
Volumen (cm3):
576
Datos técnicos 4-0097

Área Privada

Regístrate
Descargar en formatos 3D
Descargar en formatos 2D
DWG
Descargar PDF
PDF
Precio
--

Productos Similares

Contactar

Contacta con nosotros

Envíenos el siguiente formulario y nos pondremos en contacto con usted para atender su consulta.

Información de contacto:
Email: info@alex.es
Teléfono: (+34) 974 035 345
Horario:
Lunes a Viernes: 8-14h / 15-18h
Sábado y domingo: Cerrado
Responsable: Ruedas Alex, S.L.U, siendo la Finalidad: gestionar el contacto entre cualquier interesado y nuestros servicios de atención. La Legitimación: es gracias a tu consentimiento. Destinatarios: no se comunicarán los datos personales a ningún tercero. Podrás efercer Tus Derechos de Acceso, Rectificación, Supresión, Limitación, Oposición y Portabilidad en rgpd@alex.es. Para más información consulte la Política de Privacidad.

Manténgase informado de todas las novedades, ofertas y promociones que tenemos preparadas para usted.