Fabricantes desde 1958
Ruedas Alex

SERIE 125-125 TW0273

Ver Comparativa
Rueda industrial alta y media carga bloqueo direccional poliuretano fundido naranja abalonada menos esfuerzo al giro Alex
Código: TW0273

Ruedas de núcleo metálico con banda de goma negra. Especialmente indicada para soportar cargas de hasta 205 Kg.
Se aplica en carros de herramientas, carros tubulares, logística interna, gradas móviles, útiles de transporte, plataformas elevadoras, talleres, logística material misiones, restaurantes, barredoras, pulidoras, soldadura, hormigoneras, grúas móviles, remolques, granjas agrícolas, mesas elevadoras, roll-palets, roll-tainers, contenedores.

TWIN-LEX 125: ruedas suaves y silenciosas. Maxima protección de los suelos. Absorción de golpes y vibraciones.

Componentes

Soporte

Chapa de acero embutida Acabado cincado brillante. Pletina giratoria o fija. Con doble rodamiento de bolas. Cojinetes: Rodillos.

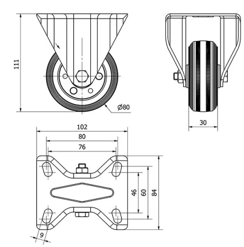
Datos técnicos TW0273

EAN:
8422202002736
Tipo Soporte:
Fijo
Tipo Fijación:
Platina
Tipo Freno:
Sin Freno
Material:
Goma
Cojinete:
Rodillos
Diámetro (mm):
80
Ancho de banda (mm):
25
Medidas de la placa (mm):
100x84
Distancia entre agujeros (mm):
80x60/72x52
Diámetro agujero (mm):
8
Altura total (mm):
111
Capacidad de carga (kg):
70
Datos técnicos TW0273

Área Privada

Regístrate
Descargar en formatos 3D
Descargar en formatos 2D
DWG
Descargar PDF
PDF
Precio
--

Productos Similares

Contactar

Contacta con nosotros

Envíenos el siguiente formulario y nos pondremos en contacto con usted para atender su consulta.

Información de contacto:
Email: info@alex.es
Teléfono: (+34) 974 035 345
Horario:
Lunes a Viernes: 8-14h / 15-18h
Sábado y domingo: Cerrado
Responsable: Ruedas Alex, S.L.U, siendo la Finalidad: gestionar el contacto entre cualquier interesado y nuestros servicios de atención. La Legitimación: es gracias a tu consentimiento. Destinatarios: no se comunicarán los datos personales a ningún tercero. Podrás efercer Tus Derechos de Acceso, Rectificación, Supresión, Limitación, Oposición y Portabilidad en rgpd@alex.es. Para más información consulte la Política de Privacidad.

Manténgase informado de todas las novedades, ofertas y promociones que tenemos preparadas para usted.