Fabricantes desde 1958
Ruedas Alex

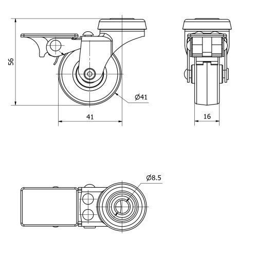
SERIE 601-601 TW0161

Ver Comparativa
Código: TW0161

Ruedas de goma gris inyectada especialmente indicada para soportar cargas hasta 25 Kg.

Se aplica en expositores, muebles, estanterías, taburetes, percheros, carros de hostelería, ebanisterías, stands, carros de limpieza, mesas de ordenador, pequeño mobiliario, mesillas de noche.

TWIN-LEX 601: No ralla el suelo. Silenciosa y no deja huella.

Componentes

Soporte

Fabricada con chapa de acero embutida hasta 2 mm de espesor. Soporte con una hilera de bolas. Acabado cincado. Ruedas de goma de 50 y 60 de diámetro con protectores incluidos de serie. Fabricadas según normas europeas EN 12528..

Datos técnicos TW0161

EAN:
8422202001616
Tipo Soporte:
Giratorio
Tipo Fijación:
Agujero pasante
Tipo Freno:
Freno Rueda
Cojinete:
Liso
Diámetro (mm):
40
Ancho de banda (mm):
16
Diámetro agujero (mm):
8
Radio de giro (mm):
45
Altura total (mm):
57
Capacidad de carga (kg):
17
Peso Unitario de la rueda (kg):
0,082
Volumen (cm3):
111,26
Datos técnicos TW0161

Área Privada

Regístrate
Descargar en formatos 3D
Descargar en formatos 2D
DWG
Descargar PDF
PDF
Precio
--

Productos Similares

Contactar

Contacta con nosotros

Envíenos el siguiente formulario y nos pondremos en contacto con usted para atender su consulta.

Información de contacto:
Email: info@alex.es
Teléfono: (+34) 974 035 345
Horario:
Lunes a Viernes: 8-14h / 15-18h
Sábado y domingo: Cerrado
Responsable: Ruedas Alex, S.L.U, siendo la Finalidad: gestionar el contacto entre cualquier interesado y nuestros servicios de atención. La Legitimación: es gracias a tu consentimiento. Destinatarios: no se comunicarán los datos personales a ningún tercero. Podrás efercer Tus Derechos de Acceso, Rectificación, Supresión, Limitación, Oposición y Portabilidad en rgpd@alex.es. Para más información consulte la Política de Privacidad.

Manténgase informado de todas las novedades, ofertas y promociones que tenemos preparadas para usted.