Fabricantes desde 1958
Ruedas Alex

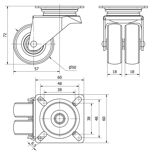
SERIE 410-410 TW0101

Ver Comparativa
Código: TW0101

Ruedas dobles de goma gris. Especialmente indicadas para soportar cargas hasta 80 Kg.

Es utilizada en cámaras frigoríficas, mostradores, librerías, oficinas, tiendas de moda, tiendas de bricolaje, tiendas de moda, arcones, lavanderías, carros archivo, contenedores de destrucción de documentos, interiores de tiendas, mostradores, cámaras frigoríficas.

Twin-lex 410: Robusta, silenciosa y no ralla el suelo. No deja huella.

Componentes

Soporte

Chapa de acero embutida. Acabado cincado brillante. Pletina giratoria o agujero pasante. Con doble rodamiento de bolas. Cojinetes: Liso.

Datos técnicos TW0101

EAN:
8422202001012
Tipo Soporte:
Giratorio
Tipo Fijación:
Platina
Tipo Freno:
Sin Freno
Material:
Goma
Cojinete:
Liso
Diámetro (mm):
50
Ancho de banda (mm):
20x2
Medidas de la placa (mm):
60x60
Distancia entre agujeros (mm):
47x47/40x40
Diámetro agujero (mm):
6
Radio de giro (mm):
55
Altura total (mm):
72
Capacidad de carga (kg):
80
Peso Unitario de la rueda (kg):
0,245
Volumen (cm3):
367,2
Datos técnicos TW0101

Área Privada

Regístrate
Descargar en formatos 3D
Descargar en formatos 2D
DWG
Descargar PDF
PDF
Precio
--

Productos Similares

Contactar

Contacta con nosotros

Envíenos el siguiente formulario y nos pondremos en contacto con usted para atender su consulta.

Información de contacto:
Email: info@alex.es
Teléfono: (+34) 974 035 345
Horario:
Lunes a Viernes: 8-14h / 15-18h
Sábado y domingo: Cerrado
Responsable: Ruedas Alex, S.L.U, siendo la Finalidad: gestionar el contacto entre cualquier interesado y nuestros servicios de atención. La Legitimación: es gracias a tu consentimiento. Destinatarios: no se comunicarán los datos personales a ningún tercero. Podrás efercer Tus Derechos de Acceso, Rectificación, Supresión, Limitación, Oposición y Portabilidad en rgpd@alex.es. Para más información consulte la Política de Privacidad.

Manténgase informado de todas las novedades, ofertas y promociones que tenemos preparadas para usted.