Fabricantes desde 1958
Ruedas Alex

SERIE 400-400 TW0142

Ver Comparativa
Código: TW0142

Ruedas de poliamida negra. Especialmente indicadas para soportar cargas hasta 70 Kg.

Es utilizada supermercado, expositores, muebles, cajas apilables, taburetes, vitrinas, percheros, carros de hostelería, útiles para hospitales, mobiliario clínico sanitario, goteros.

Twin-lex 400: Respetuosa con el suelo. Fácil desplazamiento.

Componentes

Soporte

Chapa de acero embutida. Acabado cincado brillante. Agujero pasante y platina. Con doble rodamiento de bolas. Cojinetes: Liso. Incorpora anti-hilos.

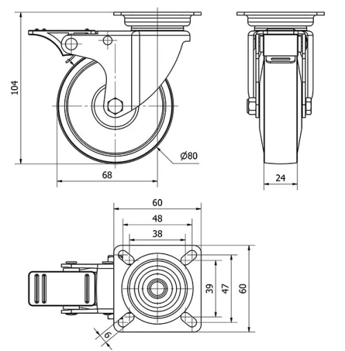
Datos técnicos TW0142

EAN:
8422202001425
Tipo Soporte:
Giratorio
Tipo Fijación:
Platina
Tipo Freno:
Freno Rueda y Soporte
Material:
Nylon - Poliamida
Cojinete:
Liso
Diámetro (mm):
80
Ancho de banda (mm):
24
Medidas de la placa (mm):
60x60
Distancia entre agujeros (mm):
46x46
Diámetro agujero (mm):
6
Radio de giro (mm):
68
Altura total (mm):
104
Capacidad de carga (kg):
65
Peso Unitario de la rueda (kg):
0,37
Volumen (cm3):
611,52
Datos técnicos TW0142

Área Privada

Regístrate
Descargar en formatos 3D
Descargar en formatos 2D
DWG
Descargar PDF
PDF
Precio
--

Productos Similares

Contactar

Contacta con nosotros

Envíenos el siguiente formulario y nos pondremos en contacto con usted para atender su consulta.

Información de contacto:
Email: info@alex.es
Teléfono: (+34) 974 035 345
Horario:
Lunes a Viernes: 8-14h / 15-18h
Sábado y domingo: Cerrado
Responsable: Ruedas Alex, S.L.U, siendo la Finalidad: gestionar el contacto entre cualquier interesado y nuestros servicios de atención. La Legitimación: es gracias a tu consentimiento. Destinatarios: no se comunicarán los datos personales a ningún tercero. Podrás efercer Tus Derechos de Acceso, Rectificación, Supresión, Limitación, Oposición y Portabilidad en rgpd@alex.es. Para más información consulte la Política de Privacidad.

Manténgase informado de todas las novedades, ofertas y promociones que tenemos preparadas para usted.