Fabricantes desde 1958
Ruedas Alex

SERIE 301-301 TW0070

Ver Comparativa
Código: TW0070

Ruedas de goma gris inyectada. Especialmente indicadas para soportar cargas hasta 130 Kg.

Es utilizada en carros de transporte alimentación, cocina, cantina, comedor, restaurantes, factorías de alimentación, supermercados, carros de limpieza, camas.

Twin-lex 301: No mancha el suelo. Facilidad de movimiento con carga.

Componentes

Soporte

Chapa de acero embutida. Acabado cincado brillante. Pletina giratoria y agujero pasante. Con doble rodamiento de bolas. Cojinetes: Liso.

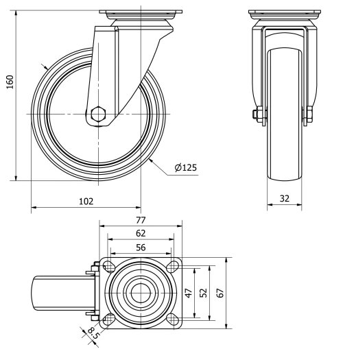
Datos técnicos TW0070

EAN:
8422202000701
Tipo Soporte:
Giratorio
Tipo Fijación:
Platina
Tipo Freno:
Sin Freno
Material:
Goma
Cojinete:
Liso
Diámetro (mm):
125
Ancho de banda (mm):
32
Medidas de la placa (mm):
77x67
Medidas Espiga:
77x67
Distancia entre agujeros (mm):
62x51/56x47
Diámetro agujero (mm):
8
Radio de giro (mm):
102
Altura total (mm):
160
Capacidad de carga (kg):
100
Peso Unitario de la rueda (kg):
0,68
Volumen (cm3):
1506,16
Datos técnicos TW0070

Área Privada

Regístrate
Descargar en formatos 3D
Descargar en formatos 2D
DWG
Descargar PDF
PDF
Precio
--

Productos Similares

Contactar

Contacta con nosotros

Envíenos el siguiente formulario y nos pondremos en contacto con usted para atender su consulta.

Información de contacto:
Email: info@alex.es
Teléfono: (+34) 974 035 345
Horario:
Lunes a Viernes: 8-14h / 15-18h
Sábado y domingo: Cerrado
Responsable: Ruedas Alex, S.L.U, siendo la Finalidad: gestionar el contacto entre cualquier interesado y nuestros servicios de atención. La Legitimación: es gracias a tu consentimiento. Destinatarios: no se comunicarán los datos personales a ningún tercero. Podrás efercer Tus Derechos de Acceso, Rectificación, Supresión, Limitación, Oposición y Portabilidad en rgpd@alex.es. Para más información consulte la Política de Privacidad.

Manténgase informado de todas las novedades, ofertas y promociones que tenemos preparadas para usted.