Fabricantes desde 1958
Ruedas Alex

SERIE 140-140 TW0212

Ver Comparativa
Código: TW0212

Ruedas con núcleo de poliamix blanco y banda de poliuretano rojo. Especialmente indicada para soportar cargas hasta 150 Kg.

Se aplica en útiles de transporte logístico, taller, aéreas de exteriores, logística interna, carros de herramientas, carros tubulares, fábricas neumáticos, logística interna, carros de herramientas, útiles de transporte, plataformas elevadoras, carros de transporte, escaleras, barredoras, pulidoras, maquinas embalaje, cintas transportadoras, grúas móviles, carretillas elevadoras, caldererías, ebanistas, carpinterías metálicas, granjas agrícolas, mesas elevadoras, cárnicas, contenedores, polideportivos, cajas de audio sonido.

Principalmente en el sector aeronáutico, ferroviario, automoción, alimentación, talleres, actividades industrias.

Aplicadas en proyectos de ingeniería mecánica por delineantes y proyectistas.

TWIN-LEX 140: Gran duración sin desgaste. Alta resistencia a los aceites y grasas. Silenciosas, limpias e indeformables.

Componentes

Soporte

Chapa de acero embutida hasta 4mm de espesor. Acabado cincado brillante. Con doble hilera de bolas. Modo universal para cargas medias.

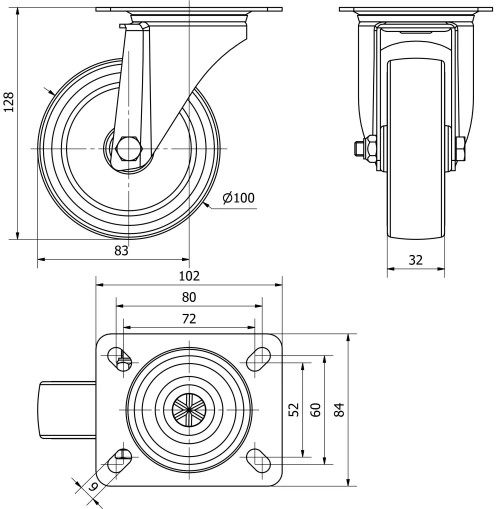
Datos técnicos TW0212

EAN:
8422202002125
Tipo Soporte:
Fijo
Tipo Fijación:
Platina
Tipo Freno:
Sin Freno
Cojinete:
Liso
Diámetro (mm):
100
Ancho de banda (mm):
32
Medidas de la placa (mm):
100x84
Distancia entre agujeros (mm):
80x60/72x52
Diámetro agujero (mm):
8
Radio de giro (mm):
83
Altura total (mm):
128
Capacidad de carga (kg):
120
Peso Unitario de la rueda (kg):
0,53
Volumen (cm3):
1463,28
Datos técnicos TW0212

Área Privada

Regístrate
Descargar en formatos 3D
Descargar en formatos 2D
DWG
Descargar PDF
PDF
Precio
--

Productos Similares

Contactar

Contacta con nosotros

Envíenos el siguiente formulario y nos pondremos en contacto con usted para atender su consulta.

Información de contacto:
Email: info@alex.es
Teléfono: (+34) 974 035 345
Horario:
Lunes a Viernes: 8-14h / 15-18h
Sábado y domingo: Cerrado
Responsable: Ruedas Alex, S.L.U, siendo la Finalidad: gestionar el contacto entre cualquier interesado y nuestros servicios de atención. La Legitimación: es gracias a tu consentimiento. Destinatarios: no se comunicarán los datos personales a ningún tercero. Podrás efercer Tus Derechos de Acceso, Rectificación, Supresión, Limitación, Oposición y Portabilidad en rgpd@alex.es. Para más información consulte la Política de Privacidad.

Manténgase informado de todas las novedades, ofertas y promociones que tenemos preparadas para usted.