Fabricantes desde 1958
Ruedas Alex

SERIE 130-130 TW0210

Ver Comparativa
Código: TW0210

Rueda de poliamix blanco, especialmente indicada para soportar altas cargas hasta 280 Kg.

Se aplica en útiles de logística interna, talleres, carros de herramientas, logística interna, gradas móviles, útiles de transporte, plataformas elevadoras, factorías de alimentación, carros de transporte, logística material misiones, escaleras, maquinas de embalajes, cintas transportadoras, maquinaria ligera para la construcción, mesas elevadoras, caldererías, ebanisterías, cerrajerías, carpinterías metálicas, granjas agrícolas, cárnicas, textiles, polideportivos, contenedores, jaulas de transporte. Principalmente en sectores industriales, aeronáutico y automoción, alimentación, textiles, agrícolas, granjas avícolas, congeladores, arcones, carros tubulares.

Aplicadas en proyectos de ingeniería mecánica por delineantes y proyectistas.

TWIN-LEX 130: Indeformable y resistente. Fácil arranque y deslizamiento.

Componentes

Soporte

Chapa de acero embutida. Acabado cincado brillante. Pletina giratoria o fija. Con doble rodamiento de bolas. Cojinetes: Rodillos. Protector antipolvo. Incorpora anti-hilos.

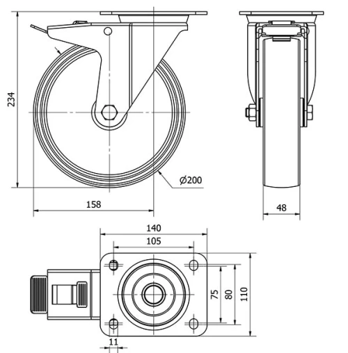
Datos técnicos TW0210

EAN:
8422202002101
Tipo Soporte:
Giratorio
Tipo Fijación:
Platina
Tipo Freno:
Freno Rueda y Soporte
Material:
Poliamix
Cojinete:
Liso
Diámetro (mm):
200
Ancho de banda (mm):
45
Medidas de la placa (mm):
135x110
Distancia entre agujeros (mm):
105x80
Diámetro agujero (mm):
10
Radio de giro (mm):
150
Altura total (mm):
240
Capacidad de carga (kg):
280
Peso Unitario de la rueda (kg):
2
Volumen (cm3):
5684,15
Datos técnicos TW0210

Área Privada

Regístrate
Descargar en formatos 3D
Descargar en formatos 2D
DWG
Descargar PDF
PDF
Precio
--

Productos Similares

Contactar

Contacta con nosotros

Envíenos el siguiente formulario y nos pondremos en contacto con usted para atender su consulta.

Información de contacto:
Email: info@alex.es
Teléfono: (+34) 974 035 345
Horario:
Lunes a Viernes: 8-14h / 15-18h
Sábado y domingo: Cerrado
Responsable: Ruedas Alex, S.L.U, siendo la Finalidad: gestionar el contacto entre cualquier interesado y nuestros servicios de atención. La Legitimación: es gracias a tu consentimiento. Destinatarios: no se comunicarán los datos personales a ningún tercero. Podrás efercer Tus Derechos de Acceso, Rectificación, Supresión, Limitación, Oposición y Portabilidad en rgpd@alex.es. Para más información consulte la Política de Privacidad.

Manténgase informado de todas las novedades, ofertas y promociones que tenemos preparadas para usted.