Fabricantes desde 1958
Ruedas Alex

SERIE 124-124 TW0304

Ver Comparativa
Código: TW0304

Ruedas de goma gris inyectada con núcleo de poliamix. Especialmente indicada para soportar cargas hasta 110 Kg.

Se aplica en útiles de transporte logístico, carros de transporte alimentación, cocina, cantina, factorías alimentación, supermercados, maquinaria ligera, contenedores-papelero, jaulas de transporte, roll-tainers, roll-palets. Aplicadas en sectores industriales, alimentación, maquinaría construcción.

Aplicadas en proyectos de ingeniería mecánica por delineantes y proyectistas.

TWIN-LEX 124: No mancha el suelo. Facilidad de movimiento con carga.

Componentes

Soporte

Chapa de acero embutida hasta 4mm de espesor. Acabado cincado brillante. Con doble hilera de bolas. Modo universal para cargas medias.

Datos técnicos TW0304

EAN:
8422202003047
Tipo Soporte:
Giratorio
Tipo Fijación:
Platina
Tipo Freno:
Freno Rueda y Soporte
Cojinete:
Liso
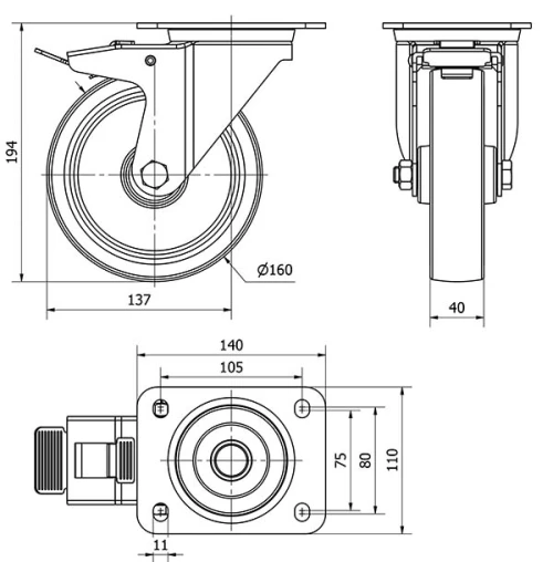
Diámetro (mm):
160
Ancho de banda (mm):
40
Medidas de la placa (mm):
135x114
Distancia entre agujeros (mm):
108x85/102x75
Diámetro agujero (mm):
10
Radio de giro (mm):
124
Altura total (mm):
197
Capacidad de carga (kg):
130
Peso Unitario de la rueda (kg):
2,125
Datos técnicos TW0304

Área Privada

Regístrate
Descargar en formatos 3D
Descargar en formatos 2D
DWG
Descargar PDF
PDF
Precio
--

Productos Similares

Contactar

Contacta con nosotros

Envíenos el siguiente formulario y nos pondremos en contacto con usted para atender su consulta.

Información de contacto:
Email: info@alex.es
Teléfono: (+34) 974 035 345
Horario:
Lunes a Viernes: 8-14h / 15-18h
Sábado y domingo: Cerrado
Responsable: Ruedas Alex, S.L.U, siendo la Finalidad: gestionar el contacto entre cualquier interesado y nuestros servicios de atención. La Legitimación: es gracias a tu consentimiento. Destinatarios: no se comunicarán los datos personales a ningún tercero. Podrás efercer Tus Derechos de Acceso, Rectificación, Supresión, Limitación, Oposición y Portabilidad en rgpd@alex.es. Para más información consulte la Política de Privacidad.

Manténgase informado de todas las novedades, ofertas y promociones que tenemos preparadas para usted.