Fabricantes desde 1958
Ruedas Alex

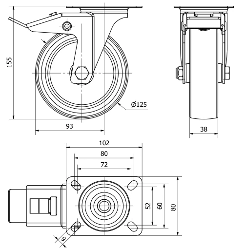
SERIE 124-124 TW0228

Ver Comparativa
Código: TW0228

Ruedas de goma gris inyectada con núcleo de poliamix. Especialmente indicada para soportar cargas hasta 110 Kg.

Se aplica en útiles de transporte logístico, carros de transporte alimentación, cocina, cantina, factorías alimentación, supermercados, maquinaria ligera, contenedores-papelero, jaulas de transporte, roll-tainers, roll-palets. Aplicadas en sectores industriales, alimentación, maquinaría construcción.

Aplicadas en proyectos de ingeniería mecánica por delineantes y proyectistas.

TWIN-LEX 124: No mancha el suelo. Facilidad de movimiento con carga.

Componentes

Soporte

Chapa de acero embutida hasta 4mm de espesor. Acabado cincado brillante. Con doble hilera de bolas. Modo universal para cargas medias.

Datos técnicos TW0228

EAN:
8422202002286
Tipo Soporte:
Giratorio
Tipo Fijación:
Platina
Tipo Freno:
Freno Rueda y Soporte
Cojinete:
Liso
Diámetro (mm):
125
Ancho de banda (mm):
40
Medidas de la placa (mm):
102x80
Distancia entre agujeros (mm):
80x60/72x52
Diámetro agujero (mm):
8
Radio de giro (mm):
93
Altura total (mm):
155
Capacidad de carga (kg):
110
Peso Unitario de la rueda (kg):
0,915
Volumen (cm3):
1874,88
Datos técnicos TW0228

Área Privada

Regístrate
Descargar en formatos 3D
Descargar en formatos 2D
DWG
Descargar PDF
PDF
Precio
--

Productos Similares

Contactar

Contacta con nosotros

Envíenos el siguiente formulario y nos pondremos en contacto con usted para atender su consulta.

Información de contacto:
Email: info@alex.es
Teléfono: (+34) 974 035 345
Horario:
Lunes a Viernes: 8-14h / 15-18h
Sábado y domingo: Cerrado
Responsable: Ruedas Alex, S.L.U, siendo la Finalidad: gestionar el contacto entre cualquier interesado y nuestros servicios de atención. La Legitimación: es gracias a tu consentimiento. Destinatarios: no se comunicarán los datos personales a ningún tercero. Podrás efercer Tus Derechos de Acceso, Rectificación, Supresión, Limitación, Oposición y Portabilidad en rgpd@alex.es. Para más información consulte la Política de Privacidad.

Manténgase informado de todas las novedades, ofertas y promociones que tenemos preparadas para usted.