Fabricantes desde 1958
Ruedas Alex

SERIE 123-123 TW0258

Ver Comparativa
Código: TW0258

Ruedas de goma negra natural. Especialmente indicada para soportar cargas hasta 200 Kg.

Se aplica en carros de herramientas, carros tubulares, logística interna, gradas móviles, útiles d transporte, plataformas elevadoras, talleres, carros de transporte de alimentación, cocina, cantina, comedor, restáurate, factorías de alimentación, logística material misiones, transporte de útiles, compresores, escaleras, barredoras, pulidoras, soldadura, hormigoneras, grúas, maquinas de embalaje, cintas transportadoras, grúas móviles, remolques, maquinaría ligera, ebanisterías, cerrajerías, carpinterías metálicas, granjas agrícolas, contendores de basura, contenedores, roll-tainers, roll-palets, jaulas de transporte.

TWIN-LEX 123: Rueda suave y silenciosa. Máxima protección de los suelos. Absorción de golpes y vibraciones.

Componentes

Soporte

Chapa de acero embutida hasta 4mm de espesor. Acabado cincado brillante. Con doble hilera de bolas. Modo universal para cargas medias.

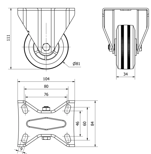
Datos técnicos TW0258

EAN:
8422202002583
Tipo Soporte:
Fijo
Tipo Fijación:
Platina
Tipo Freno:
Sin Freno
Cojinete:
Rodillos
Diámetro (mm):
80
Ancho de banda (mm):
30
Medidas de la placa (mm):
100x84
Distancia entre agujeros (mm):
80x60/72x52
Diámetro agujero (mm):
8
Altura total (mm):
105
Capacidad de carga (kg):
60
Peso Unitario de la rueda (kg):
0,535
Volumen (cm3):
907,2
Datos técnicos TW0258

Área Privada

Regístrate
Descargar en formatos 3D
Descargar en formatos 2D
DWG
Descargar PDF
PDF
Precio
--

Productos Similares

Contactar

Contacta con nosotros

Envíenos el siguiente formulario y nos pondremos en contacto con usted para atender su consulta.

Información de contacto:
Email: info@alex.es
Teléfono: (+34) 974 035 345
Horario:
Lunes a Viernes: 8-14h / 15-18h
Sábado y domingo: Cerrado
Responsable: Ruedas Alex, S.L.U, siendo la Finalidad: gestionar el contacto entre cualquier interesado y nuestros servicios de atención. La Legitimación: es gracias a tu consentimiento. Destinatarios: no se comunicarán los datos personales a ningún tercero. Podrás efercer Tus Derechos de Acceso, Rectificación, Supresión, Limitación, Oposición y Portabilidad en rgpd@alex.es. Para más información consulte la Política de Privacidad.

Manténgase informado de todas las novedades, ofertas y promociones que tenemos preparadas para usted.